Флуд выходного дня

dik01
Сообщения: 424
Зарегистрирован: 26 мар 2012, 22:13

Re: Флуд выходного дня

Сообщение dik01 »

Если мне память не изменяет у Komrad собрана подача на 555.
sergsha
Сообщения: 78
Зарегистрирован: 21 сен 2011, 12:08
Откуда: Харьков, Украина
Контактная информация:

Re: Флуд выходного дня

Сообщение sergsha »

Аватара пользователя
Chir-OFF
Сообщения: 738
Зарегистрирован: 25 дек 2014, 22:19
Откуда: Краснодарский край

Re: Флуд выходного дня

Сообщение Chir-OFF »

А схему есть вариант посмотреть?
Аватара пользователя
PAVEL
Сообщения: 1218
Зарегистрирован: 10 дек 2011, 18:37
Откуда: Россия

Re: Флуд выходного дня

Сообщение PAVEL »

Chir-OFF писал(а):А схему есть вариант посмотреть?
Какую схему надо, смотри по ссылке сообщение от Олега, там и схема и печатка. У мегя есть на тиристорах, дополнительный транс надо. Подобные схемы делал для зарядников.
sergsha
Сообщения: 78
Зарегистрирован: 21 сен 2011, 12:08
Откуда: Харьков, Украина
Контактная информация:

Re: Флуд выходного дня

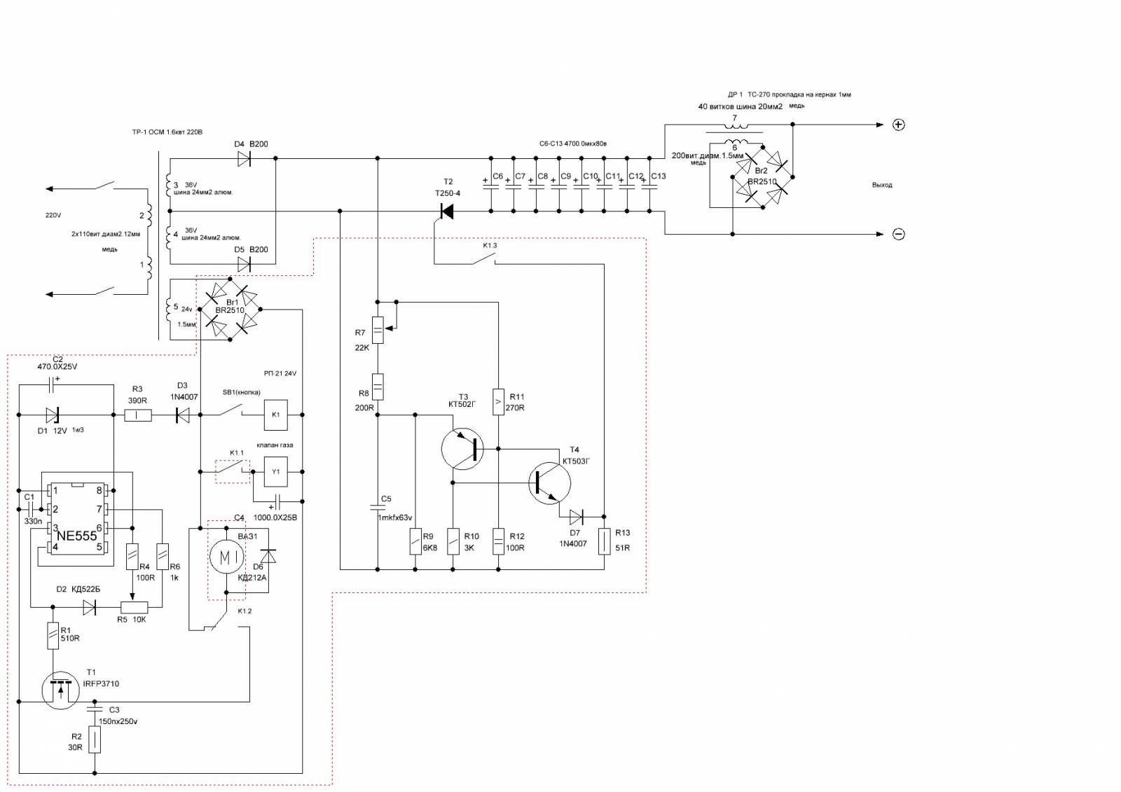
Сообщение sergsha »

Вложения
1.jpg
Аватара пользователя
Petrovich
Сообщения: 2021
Зарегистрирован: 25 авг 2008, 23:19

Re: Флуд выходного дня

Сообщение Petrovich »

sergsha писал(а):
Приехали. Опять 20-й век. Вы ещё на лампах нарисуйте. :D
plit
Сообщения: 241
Зарегистрирован: 12 сен 2013, 00:01

Re: Флуд выходного дня

Сообщение plit »

Petrovich писал(а):Ну вот получается запросто.
Прибыло, вот, работенки с профильной трубой, дай думаю пофоткаю Петровичу своего безобразия. Труба 60*40 стенка примерно 2мм, электрод Ф3мм ток 100А. Ток особо не подбирал, да и старался не особо, вообщем как на работе. Для уоней току многовато, для ано - потянет. Фоткал телефоном...
Верхняя - зазор 3мм, сварка с отрывом,<br /> дуга короткая<br />нижняя - без зазора и отрыва,<br /> дуга длинная Ано21
Верхняя - зазор 3мм, сварка с отрывом,
дуга короткая
нижняя - без зазора и отрыва,
дуга длинная Ано21
Без зазора, без отрыва, дуга средняя, Ано21, По брызгам видно куда направлена дуга.
Без зазора, без отрыва, дуга средняя, Ано21, По брызгам видно куда направлена дуга.
Зазор 1,5 мм, дуга короткая Уони13\55<br /> без отрыва
Зазор 1,5 мм, дуга короткая Уони13\55
без отрыва
Угловой, один проход,<br /> 1 или 2 отрыва, дуга<br /> средняя,  Ано21
Угловой, один проход,
1 или 2 отрыва, дуга
средняя, Ано21
Угловой, один проход, <br />короткая дуга, Уони13\55
Угловой, один проход,
короткая дуга, Уони13\55
Можно и сверху вниз
Можно и сверху вниз
Аватара пользователя
Petrovich
Сообщения: 2021
Зарегистрирован: 25 авг 2008, 23:19

Re: Флуд выходного дня

Сообщение Petrovich »

plit писал(а):...Прибыло, вот, работенки с профильной трубой, ....
Супер, я б так мог...
А что значит "длинная" и "короткая" дуга? Вы её крутёлочкой ставите?
plit
Сообщения: 241
Зарегистрирован: 12 сен 2013, 00:01

Re: Флуд выходного дня

Сообщение plit »

Petrovich писал(а):Супер, я б так мог...
Конечно могли б, никто не спорит )
Не крутелочкой, а электродом, электрод дальше от ванны длинее дуга, в ванну короткая. Если что варил аппаратом ВДУ506
Аватара пользователя
Petrovich
Сообщения: 2021
Зарегистрирован: 25 авг 2008, 23:19

Re: Флуд выходного дня

Сообщение Petrovich »

plit писал(а):...
Не крутелочкой, а электродом, ... ВДУ506
Понял.
Ответить