Конструируем DC-AC мост: баяны и модули

Evgeniy-free
Сообщения: 392
Зарегистрирован: 02 дек 2012, 07:30
Откуда: Сибирь

Re: Конструируем DC-AC мост: баяны и модули

Сообщение Evgeniy-free »

hantmaster сталкивался с таким шунтом как у вас, якобы нихром, во времена трансформаторных сварочников, но ток они не снижали и оказались просто железяками непонятными. Попробуйте магнитиком проверить... а, с другой стороны если сопротивление нужное на балласте, то без разницы из чего он!!??? И ещё интересно, кто чем сопротивление балласта мерил, точности мультиметра достаточно?
Аватара пользователя
Petrovich
Сообщения: 2021
Зарегистрирован: 25 авг 2008, 23:19

Re: Конструируем DC-AC мост: баяны и модули

Сообщение Petrovich »

Evgeniy-free писал(а):...!??? И ещё интересно, кто чем сопротивление балласта мерил, точности мультиметра достаточно?
Конечно же нет. Я измеряю малые сопротивления генератором тока. У меня 2 БП с токовым режимом. Ставлю 2-10 ампер и далее по закону Ома.
Аватара пользователя
Komrad
Сообщения: 2713
Зарегистрирован: 27 авг 2011, 21:07

Re: Конструируем DC-AC мост: баяны и модули

Сообщение Komrad »

Evgeniy-free писал(а): И ещё интересно, кто чем сопротивление балласта мерил, точности мультиметра достаточно?
В архиве схема от Erika с Электриков, как раз для измерения сопротивления малых сопротивлений
Вложения
IST.rar
(16.01 КБ) 656 скачиваний
Аватара пользователя
hantmaster
Сообщения: 459
Зарегистрирован: 01 апр 2013, 14:48
Откуда: Украина

Re: Конструируем DC-AC мост: баяны и модули

Сообщение hantmaster »

Evgeniy-free писал(а):hantmaster сталкивался с таким шунтом как у вас, якобы нихром, во времена трансформаторных сварочников, но ток они не снижали и оказались просто железяками непонятными. Попробуйте магнитиком проверить... а, с другой стороны если сопротивление нужное на балласте, то без разницы из чего он!!??? И ещё интересно, кто чем сопротивление балласта мерил, точности мультиметра достаточно?
Нихром сто процентов это раз сопротивление мерял на работе в Черкасыоблэнерго мостом он до тысячных ома меряет там им замеряют сопротивление трансов на много киловольт тестер не годится воопще его точность измерения много больше чем нужно замерять . Дело тут не в балласте а если при сварке я электродом залеплю то снаббер взорваться должен.... :mrgreen:
То кто что думает по сильному нагреву резюков???
На третий день Господь создал винтовку Ремингтон 700, чтобы люди могли стрелять динозавров и гомосексуалистов
Аватара пользователя
optopara2
Сообщения: 195
Зарегистрирован: 22 окт 2013, 14:33
Откуда: Украина, Киевская обл
Контактная информация:

Re: Конструируем DC-AC мост: баяны и модули

Сообщение optopara2 »

Ага надо пилить радиаторы под Ваш "баян", изолировать тщательно , лепить два десятка транзисторов на радиаторы, потом это все еще надо соединить между собой, да и модули куда надежней "баяна". На "баян" пару дней убить нужно, а модули прикрутил на один большой радиатор и готово. Думаю на себе не стоит уже так сильно экономить, видать Вы сами не пробовали делать тот "баян". А я часто сам делаю сварочники , и мне сразу понятно сколько труда и времени надо вложить. Видел я "китайцев" , где эти "баяны" и год не отходили, причина банальная -пыль да сырость(а может и деградация кристаллов от непомерных нагрузок, т.к .в "баяне" все равно транзисторы нагружены неравномерно хоть и с одной партии) . На транзисторы нужно потратить чуть больше чем 700 грн, модули обойдутся в 1300 грн , одиночные транзисторы в корпусе SOT-227 около 1100 грн. При том что полумостовые модули самый дорогой вариант, зато самый простой в реализации и надежный. Так что Ваша экономия весьма сомнительна.
Аватара пользователя
hantmaster
Сообщения: 459
Зарегистрирован: 01 апр 2013, 14:48
Откуда: Украина

Re: Конструируем DC-AC мост: баяны и модули

Сообщение hantmaster »

Значит по стоимости тарился на Космодроме вся комплектуха баяна + драйверов +(радиаторы вентилятор) обошлась мне в 1200грн по сборке да нужно помучится , резать да че там резать болгаркой вжик и уже не мужи.. радиатор вдоль разрезал и все изолировать ничаво не надо кроме самого радиатора... По пыли и сырости все платы перед окончательной сборкой задую пластик70 . Просто у нас модули китайский ширпотреб не известно сколько проработает- барыги гарантии не дают...
На третий день Господь создал винтовку Ремингтон 700, чтобы люди могли стрелять динозавров и гомосексуалистов
Аватара пользователя
optopara2
Сообщения: 195
Зарегистрирован: 22 окт 2013, 14:33
Откуда: Украина, Киевская обл
Контактная информация:

Re: Учимся ТИГоварению: постоянка и переменка

Сообщение optopara2 »

hantmaster писал(а):Значит собрал я баян Комрада -...Подскажите кто может сталкивался с подобным видео прилагаю... http://www.youtube.com/watch?v=ZvkXvVbP8Fs http://www.youtube.com/watch?v=w2w4FwU8eeg
Если не трудно фото конструктива "баяна" можно ? Делать не собираюсь, просто ради интереса , может "косяки" какие увижу , подскажу что не так . Пробовал глянуть видео с ютуба, чет не идет, у меня инет интертелеком тормозит сильно видать . На фото при нормальном качестве можно увеличить и все детально разглядеть будет.
mehanik
Сообщения: 157
Зарегистрирован: 12 сен 2012, 21:22

Re: Конструируем DC-AC мост: баяны и модули

Сообщение mehanik »

optopara, у меня инет Лайф GPRS и то выкачиваю и смотрю. Заходите на http://ru.savefrom.net/ и вводите ссылку которую дал hantmaster и получаете прямую ссылку для скачивания. Выкачали на винт, а тогда и смотрите.
Аватара пользователя
optopara2
Сообщения: 195
Зарегистрирован: 22 окт 2013, 14:33
Откуда: Украина, Киевская обл
Контактная информация:

Re: Конструируем DC-AC мост: баяны и модули

Сообщение optopara2 »

Petrovich писал(а): Конечно же нет. Я измеряю малые сопротивления генератором тока. У меня 2 БП с токовым режимом. Ставлю 2-10 ампер и далее по закону Ома.
Я с измерением малых сопротивлений так не заморачиваюсь. Есть 2 мультиметра UNI-T UT602 и UNI-T UT61E, оба позволяют измерить сопротивление с точностью до 0.01 Ома , первым еще пользуюсь для измерения индуктивности и иногда как мегаометром, на втором есть кнопка, при нажатии на которую вычитается сопротивление (емкость тоже при измерении емкости) щупов, что очень удобно. Оба меряют очень точно.
Аватара пользователя
PAVEL
Сообщения: 1218
Зарегистрирован: 10 дек 2011, 18:37
Откуда: Россия

Re: Конструируем DC-AC мост: баяны и модули

Сообщение PAVEL »

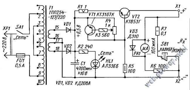
Может кому пригодитса схема омметр слинейной шкалой,сделать можно за пять секунд.Как то раньше собиралса сделать мост Вина но так руки не дошли а сейчас и схему потерял.Есть ещё одна простенькая но там с трансом,нашол сечас скину.
Вложения
вторая
вторая
Ответить