Сварочник Петровича
-
Гость
Re: Сварочник Петровича
Для тех, кто решит повторять, даю наводку на транзисторы 13001:
Их можно выковырять из энергосберегающих ламп любой фирмы. В некоторых стоят более интересные 13002, 13003А с током до 5А 800 вольт.
Их можно выковырять из энергосберегающих ламп любой фирмы. В некоторых стоят более интересные 13002, 13003А с током до 5А 800 вольт.
-
Гость
Re: Сварочник Петровича
Петрович:
Не знаю видел, ли ты эту схему?, но питание бутстрепным способом на мой взгляд, более перспективно в плане защиты от сквозного тока да и источник только один.
Схема мне эта нравится, но разводку в Lay не люблю...
Не знаю видел, ли ты эту схему?, но питание бутстрепным способом на мой взгляд, более перспективно в плане защиты от сквозного тока да и источник только один.
Схема мне эта нравится, но разводку в Lay не люблю...
Re: Сварочник Петровича
Нет, не видел. Если б видел, то и делал бы именно так. Более того, делал бы мост, а не Косого. Мне даже в голову не приходил такой вариант. Всвязи с этим, если можно, несколько вопросов:
1. Без минуса не очень опасненько? На "Городе мастеров" писали про помехоустойчивость?
2. Вот это волшебное слово "бутстреп", оно мне не понятно, хотя я его последнее время слышу всё чаще. Если можно, что это?
3. А нет-ли аналогичного варианта питания для Косого?
4. Может опубликуем?, если у Вас с авторством всё впорядке?
1. Без минуса не очень опасненько? На "Городе мастеров" писали про помехоустойчивость?
2. Вот это волшебное слово "бутстреп", оно мне не понятно, хотя я его последнее время слышу всё чаще. Если можно, что это?
3. А нет-ли аналогичного варианта питания для Косого?
4. Может опубликуем?, если у Вас с авторством всё впорядке?
-
Гость
-
Гость
Re: Сварочник Петровича
Я не очень понимаю тонкости, но схема привлекла простотой. Что это бутстреп? В чем соль?
И куда подключены идущие от оптронов стрелочки с цифрами 1 и 2 ?
И куда подключены идущие от оптронов стрелочки с цифрами 1 и 2 ?
Re: Сварочник Петровича
Надо соединить цифирьки 1-1 и 2-2 соответственно. Транзисторы включаются от 494 по диагонали, как и положено мосту.shuninm писал(а):Я не очень понимаю тонкости, но схема привлекла простотой....
И куда подключены идущие от оптронов стрелочки с цифрами 1 и 2 ?
-
Гость
Re: Сварочник Петровича
действительно. самому следовало сообразить.
интересно Юрий SH выложит еще документацию на этот аппарат?
интересно Юрий SH выложит еще документацию на этот аппарат?
Re: Сварочник Петровича
1. Да уж, Юрий, давай, что ещё есть. Может делал, может фотки есть какие?shuninm писал(а):...интересно Юрий SH выложит еще документацию на этот аппарат?
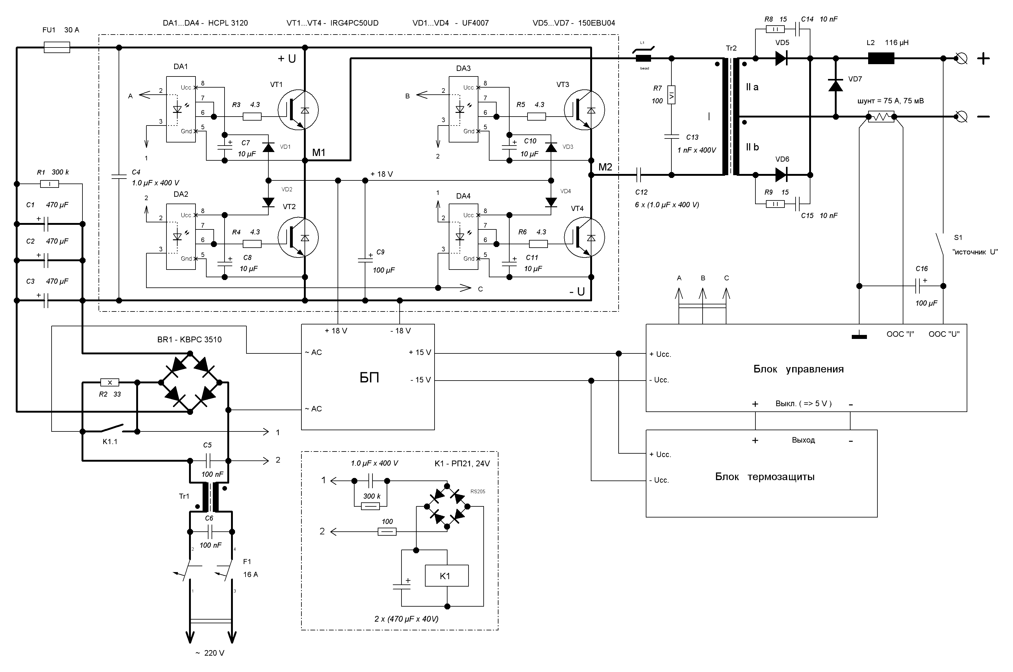
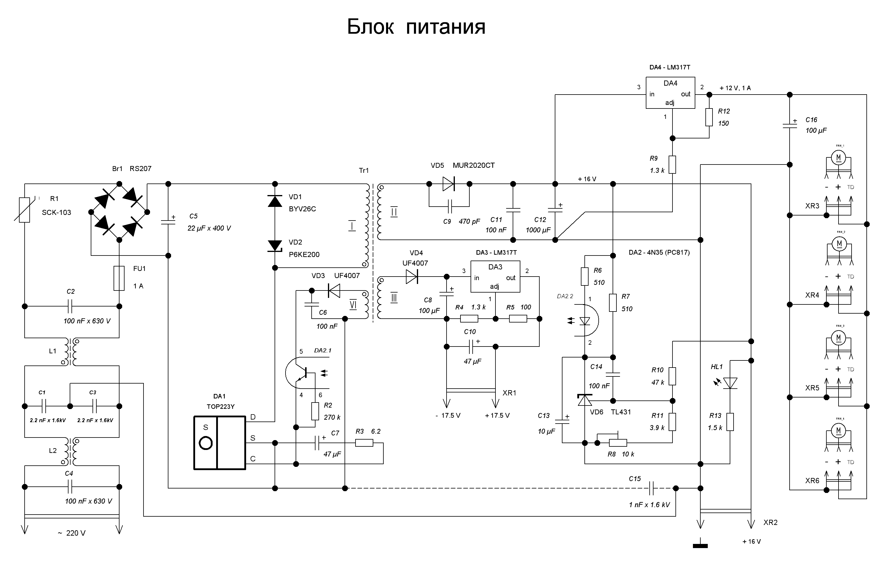
Ну по схеме позволю себе несколько слов для затравки коллектива.
БП конечно удивляет наличием 317 стабилизаторов при наличии оптрона, особенно при наличии 431 стабилитрона. Всё же 431 стабилитрон-это уже очень прецизионный прибор, обеспечивающий ну очень высокий коэффициент стабилизации. Такой в данном приборе думаю не нужен, а тут ещё 317. Что Вы там стабилизируете? TL431 способна питаться от чего попало, вплоть до 30 вольт. (по памяти).
2. Мне понравился способ питания драйверов выходных транзисторов. Думаю, что прикинув можно так же применить и минус, но относительно +310.
Вот для "Косыгина" что-то аналогичное не вытанцовывается.