Конструируем DC-AC мост: баяны и модули

Аватара пользователя
kava
Сообщения: 313
Зарегистрирован: 13 фев 2010, 22:58
Откуда: Харьков

Re: Конструируем DC-AC мост: баяны и модули

Сообщение kava »

Где то так
Вложения
3120+.jpg
... нельзя впихнуть невпихуемое, связать несвязуемое ...
Аватара пользователя
Komrad
Сообщения: 2713
Зарегистрирован: 27 авг 2011, 21:07

Re: Конструируем DC-AC мост: баяны и модули

Сообщение Komrad »

За повторители спасибо, буду пробывать. Собираюсь за транзюками, два дня выходных все-таки. Кому интересно, гляньте ПДФку.
Вложения
_datasheets_76300.pdf
(970.39 КБ) 1150 скачиваний
Аватара пользователя
Petrovich
Сообщения: 2021
Зарегистрирован: 25 авг 2008, 23:19

Re: Конструируем DC-AC мост: баяны и модули

Сообщение Petrovich »

kava писал(а):Петрович, а что T1 делает, или просто по х не отзеркалил.
Да, конечно. Исправил, но всё-равно это лажа, резисторы 1к во первых.... Ваш вариант боле жизненный, но нахрен это всё? Надо всё-таки савить отдельные 3120 и будет дешевле.
А эта АВАГА ваще 3 транзистора попрёт.
Вложения
Drivers.JPG
Аватара пользователя
PAVEL
Сообщения: 1218
Зарегистрирован: 10 дек 2011, 18:37
Откуда: Россия

Re: Конструируем DC-AC мост: баяны и модули

Сообщение PAVEL »

Petrovich писал(а): Надо всё-таки савить отдельные 3120 и будет дешевле.
А эта АВАГА ваще 3 транзистора попрёт.
как выходы согласовывать если у каждого IGBT свой драйвер? если правильно понял суть.По этому лучше один мощный драйвер входы и выходы паролельно и симметрично соединить
Аватара пользователя
kava
Сообщения: 313
Зарегистрирован: 13 фев 2010, 22:58
Откуда: Харьков

Re: Конструируем DC-AC мост: баяны и модули

Сообщение kava »

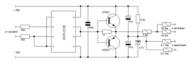
3120 с ключами тянет 6 IGBTов легко, правда надо компановать правильно. Буду попытаться 8 но по 4, на комповых радиаторах и 4 на очистку, т.е. 6 модульков совсем одинаковых. На каждый канал свой преобразователь на модуле, и все от единого для питателя (БУ,DC,AC).
... нельзя впихнуть невпихуемое, связать несвязуемое ...
Аватара пользователя
Komrad
Сообщения: 2713
Зарегистрирован: 27 авг 2011, 21:07

Re: Конструируем DC-AC мост: баяны и модули

Сообщение Komrad »

kava писал(а):3120 с ключами тянет 6 IGBTов легко,
Под "ключами" что надо понимать?
Аватара пользователя
kava
Сообщения: 313
Зарегистрирован: 13 фев 2010, 22:58
Откуда: Харьков

Re: Конструируем DC-AC мост: баяны и модули

Сообщение kava »

Вот енто, но с другим питанием +17/-5 и без стабилитронов. Еще надо помоделить.
... нельзя впихнуть невпихуемое, связать несвязуемое ...
Аватара пользователя
Komrad
Сообщения: 2713
Зарегистрирован: 27 авг 2011, 21:07

Re: Конструируем DC-AC мост: баяны и модули

Сообщение Komrad »

Не хочу показаться не вменяемым, но просмотрел все еще раз, потому как червь сомнения во мне завелся и грызет со словами - ты че-то не так сделал.
В прицепе схема с соседней ветки, на выходе драйверов, похоже, повторители. На фотке тех-же драйверов,что на 2-ой странице, эти повторители организованы на транзюках в корпусе то-92. Какой разрядный ток осилят такие транзюки - еще вопрос.
В общем, как получу положительный результат - отрапортую.
Вложения
noviy_tig200pac-dc.pdf
(87.95 КБ) 1414 скачиваний
Аватара пользователя
Petrovich
Сообщения: 2021
Зарегистрирован: 25 авг 2008, 23:19

Re: Конструируем DC-AC мост: баяны и модули

Сообщение Petrovich »

PAVEL писал(а):...как выходы согласовывать если у каждого IGBT свой драйвер?
А я не понял, что там согласовывать? Вы имеете ввиду неодновременное открывание драйверов? Возможно, но зато проводники на затворы будут короткими.
Аватара пользователя
PAVEL
Сообщения: 1218
Зарегистрирован: 10 дек 2011, 18:37
Откуда: Россия

Re: Конструируем DC-AC мост: баяны и модули

Сообщение PAVEL »

Petrovich писал(а): Вы имеете ввиду неодновременное открывание драйверов?
Вот это и имел в виду открытие будет не одновременно нагрузка распределится не равномерно будет перегрев IGBT,в литературе пишут в таких случаях выходы соединять через дроссель
Ответить