Конструкция сварочника AC-DC

Аватара пользователя
Komrad
Сообщения: 2713
Зарегистрирован: 27 авг 2011, 21:07

Re: Конструкция сварочника AC-DC

Сообщение Komrad »

Не Петрович, предидущий вариант более гут. Установить 10-ю кнопку несиметрично в уголочке, как подсветку шкалы в ВЕФах :) . Не так сильно все там наргевается, что-бы постоянно смотреть температуру.
Аватара пользователя
Petrovich
Сообщения: 2021
Зарегистрирован: 25 авг 2008, 23:19

Re: Конструкция сварочника AC-DC

Сообщение Petrovich »

Komrad писал(а):Не Петрович, предидущий вариант более гут. Установить 10-ю кнопку несиметрично в уголочке, как подсветку шкалы в ВЕФах :) . Не так сильно все там наргевается, что-бы постоянно смотреть температуру.
Вот и мне тоже показалось, как-то рожа сьехала. Сейчас предложу.
Аватара пользователя
Petrovich
Сообщения: 2021
Зарегистрирован: 25 авг 2008, 23:19

Re: Конструкция сварочника AC-DC

Сообщение Petrovich »

Вот так подойдёт? Надо бы левый индикатор сместить влево на 2,2мм. А то как-то на боку. Ну и плату уширить на 5мм соответственно. Мнения?
А что показывает левый индикатор когда ММА и кнопка не нажата?
И ещё, 10-ая кнопка теперь может мешать светодиоду подсветки линейки ТИГ.
Вложения
27.11.001 - Стекло5_TIG.jpg
Аватара пользователя
PAVEL
Сообщения: 1218
Зарегистрирован: 10 дек 2011, 18:37
Откуда: Россия

Re: Конструкция сварочника AC-DC

Сообщение PAVEL »

Petrovich писал(а):Вот так подойдёт? Надо бы левый индикатор сместить влево на 2,2мм. А то как-то на боку. Ну и плату уширить на 5мм соответственно. Мнения?
А что показывает левый индикатор когда ММА и кнопка не нажата?
И ещё, 10-ая кнопка теперь может мешать светодиоду подсветки линейки ТИГ.
Чегото не пойму где ставить кнопку на индикатор но нучше как писал Комрад и у меня так было в уголке очень удобно и не каму не мешает если в один ряд в лево тоже можно но кнопки давайте двигать не будем .Плату увеличил рисунок скину на всяк случай вобщим ширина 145мм высота 115мм да и индикатор на край зачем двигать или это будет не основная панель а тока вставыш? Двигать-то хорошо но ещё надо дитальки уместить плата и так маленькая, так что придётся от чего-то отказываться
Вложения
PWM3b-Mega8-2-2.JPG
Аватара пользователя
Petrovich
Сообщения: 2021
Зарегистрирован: 25 авг 2008, 23:19

Re: Конструкция сварочника AC-DC

Сообщение Petrovich »

PAVEL писал(а):Чегото не пойму где ставить кнопку на индикатор но нучше как писал Комрад
Ну так я так и поставил.
PAVEL писал(а): ...да и индикатор на край зачем двигать ....? Двигать-то хорошо но ещё надо дитальки уместить плата и так маленькая, так что придётся от чего-то отказываться
Индикатор двигать чтобы симметрия была.
Если детальки не умещаюццца, увеличивай плату, "не гаджеты делаем". Давай, например, вниз на 20мм, в ширь на 20мм, кому мешает? Ну не карманный же делаем. Хотелось бы всё-таки между рядами кнопок 30мм, а не 26 как у тебя. Потом задолбаешся графики вставлять.
Распечатал я в 1/1, положил перед собой, ну маааленькая.
Хотя я не настаиваю.
Аватара пользователя
Petrovich
Сообщения: 2021
Зарегистрирован: 25 авг 2008, 23:19

Re: Конструкция сварочника AC-DC

Сообщение Petrovich »

И ещё, по Атмеге8.
Нельзя так включать, я уже писал, аноды надо включать напрямую, а катоды через резисторы. Иначе яркость будет зависеть от количества горящих сегментов.
Аватара пользователя
PAVEL
Сообщения: 1218
Зарегистрирован: 10 дек 2011, 18:37
Откуда: Россия

Re: Конструкция сварочника AC-DC

Сообщение PAVEL »

Petrovich писал(а):И ещё, по Атмеге8.
Нельзя так включать, я уже писал, аноды надо включать напрямую, а катоды через резисторы. Иначе яркость будет зависеть от количества горящих сегментов.
Пока до этого не дашол, но кажется что Сэм писал нужно два резюка на анод наверно забул чего ,найти не мог где это было.Кнопки могу вниз двинуть по 30мм на том рисунке хотел так сделать а вышло не то может не на той печатке .По увеличению платы ещё нужно подумать ,силу на протяжку надо делать вот тут наверно расширю
Аватара пользователя
Petrovich
Сообщения: 2021
Зарегистрирован: 25 авг 2008, 23:19

Re: Конструкция сварочника AC-DC

Сообщение Petrovich »

PAVEL писал(а):....По увеличению платы ещё нужно подумать ,силу на протяжку надо делать вот тут наверно расширю
Думай, жду, мне надо точное и согласованное сопряжение печатки с чертежом. Тогда у нас всё получится.
Аватара пользователя
Petrovich
Сообщения: 2021
Зарегистрирован: 25 авг 2008, 23:19

Re: Конструкция сварочника AC-DC

Сообщение Petrovich »

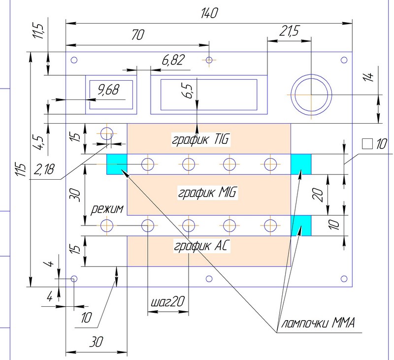
Вот, сделал Макрос в точном соответствии с чертежом. 10-я кнопка, как седло на корове. Просто подложи макрос и дальше располагай как хочеш. Тогда корпус точно совпадёт с платой. В ширь увеличивай сколько надо. Хотелось бы больше ни чего не менять, согласился бы пожалуй на перемещение куда-нибудь 10-й кнопки.
Да, ещё, Паша, у Вас макросы индикаторов сильно неправильные. Возьмите отсюда на будущее.
Вложения
Control_PWM.lay
(39.73 КБ) 570 скачиваний
Аватара пользователя
Petrovich
Сообщения: 2021
Зарегистрирован: 25 авг 2008, 23:19

Re: Конструкция сварочника AC-DC

Сообщение Petrovich »

Petrovich писал(а):И ещё, по Атмеге8.
Нельзя так включать, я уже писал, аноды надо включать напрямую, а катоды через резисторы. Иначе яркость будет зависеть от количества горящих сегментов.
А может СЭМ и здесь по одному сегменты зажигает? Тогда можно обойтись двумя резисторами. ХЗ.
Ответить