Стабилизация оборотов коллекторного двигателя

Аватара пользователя
Petrovich
Сообщения: 2021
Зарегистрирован: 25 авг 2008, 23:19

Re: Re:

Сообщение Petrovich »

bus12 писал(а):Komrad спасибо за идею,...
В чём идея-то? Схема обыкновенный регулятор скорости без стабилизации. А нам надо со стабилизацией. Это совсем не то.
stasord
Сообщения: 82
Зарегистрирован: 04 янв 2010, 15:06

Re: Re:

Сообщение stasord »

Komrad писал(а):Не вникал,насколько ДПР-72 отличается от ДПР-62 поскольку схемку увидал случайно. Bus 12, гляньте сами, мож Вам и подойдет. Кстати, с вышевыложеной схемой они как близнецы.
Схема golubа,с сайта електриков,если читали тему дальше там есть и попроще на 555.
Вложения
.png
Аватара пользователя
Komrad
Сообщения: 2713
Зарегистрирован: 27 авг 2011, 21:07

Re: Re:

Сообщение Komrad »

Петрович регламентирует схемы со стабилизацией.Хорошо.Не мной придумано, 4-ре года работает, без стабилизации.Питание от обмотки на силовом трансе.Варит гут,главное,что б механизм без биения, и канал не тормозил.. Имя ему ПДГ-180 производство СЭЛМА.Комплектуется каналом Binzel, который можно свернуть кольцом и варить спокойно Фото платы во всей красе на соседней ветке АС_ДС_МИГ на 167-ой.
Только получается, что с новой управой от Sam_soft эту тему можно закрывать.
Вложения
плата управления.jpg
Аватара пользователя
Petrovich
Сообщения: 2021
Зарегистрирован: 25 авг 2008, 23:19

Re: Re:

Сообщение Petrovich »

Komrad писал(а):...Только получается, что с новой управой от Sam_soft эту тему можно закрывать.
Вот видите, у СЭМа -то управа со стабилизацией.
LL1ax
Сообщения: 24
Зарегистрирован: 20 мар 2011, 20:28

Re: Re:

Сообщение LL1ax »

Komrad писал(а):Тоесть при изменении входного напряжения меняются обороты?
Именно так, данный недостаток не имеет значения если источник входного напряжения поддерживает напряжение примерно +/- 0.1в. Однако сама идея заключалась использовании сварочного источника тока для питания, чтоб отказатся от дополнительных блоков питания. Схема в принципе работоспособна, (я даже фиата поварил полностью) но очень неприятная ситуевина когда при начале сварки подача начинает дергать проволоку и получается прерывание дуги (после 1-2 с сварки подача стабилизируется). Дело в том, что среднее действующее напряжение хх инвертора в MIG составляет около 35в (по крайней мере у меня) и при начале сварки оно падает до заданного, к примеру до 22в, вот и получается бешенный перепад входного напряжения и как следствие изменение скорости проволоки в момент касания детали. В общем планировал доработать, ибо надо еще жигуля поварить, но пока руки не дошли...
Аватара пользователя
Petrovich
Сообщения: 2021
Зарегистрирован: 25 авг 2008, 23:19

Re: Re:

Сообщение Petrovich »

LL1ax писал(а):... но пока руки не дошли...
Надо делать, как это и положено, стабилизацию оборотов.
LL1ax
Сообщения: 24
Зарегистрирован: 20 мар 2011, 20:28

Re: Re:

Сообщение LL1ax »

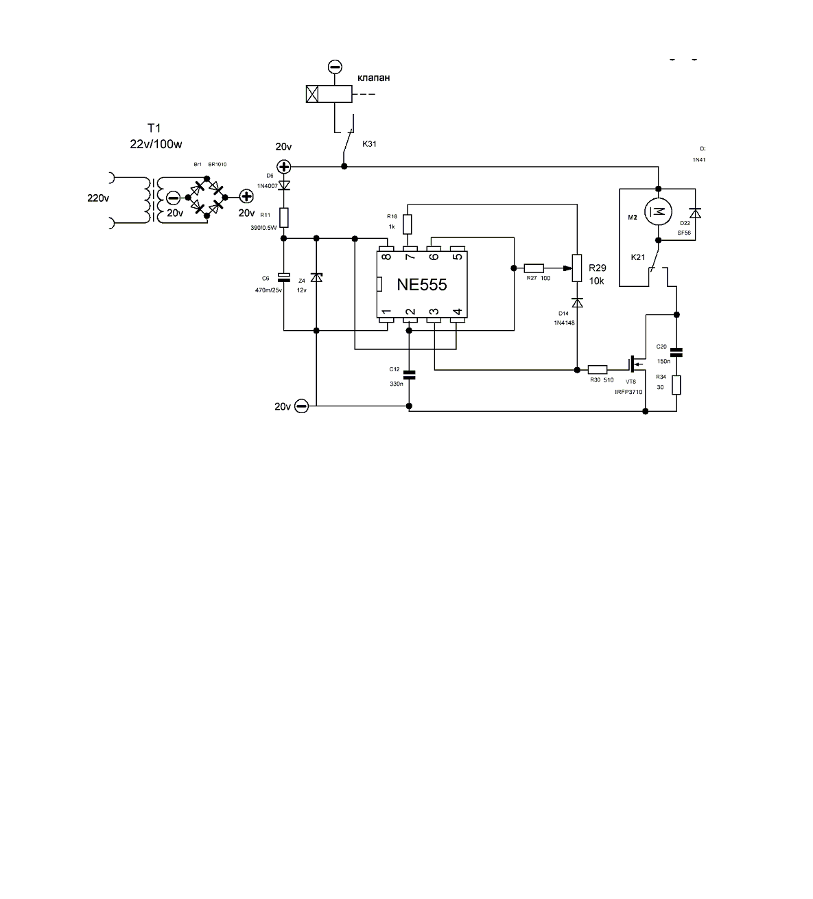
Доработал маленько схему, точнее доработана стабилизация двигателя и добавлен входной фильтр. Дроссель входного фильтра выполнен проводом 1мм 90 витков на кольце Т106 (26,9*14,5*11,1) материал №26 micrometals (желтое-белое кольцо). Конденсаторы 4700*63в 2ш - можно и большую емкость. Если рассчитывать на то что возможно случайное подключение протяжки к сварнику в режиме ММА, то стоит поставить электролиты на 100-200в.
Да еще, номиналы рассчитаны на двигатель 12в (от стеклоочистителя ВАЗ) и диаметр ролика 25мм.
В архиве схема и разводка платы.
Мож кому пригодится.
Вложения
MIG.MAG.rar
(14.5 КБ) 1074 скачивания
Аватара пользователя
Komrad
Сообщения: 2713
Зарегистрирован: 27 авг 2011, 21:07

Re: Re:

Сообщение Komrad »

Да еще, номиналы рассчитаны на двигатель 12в (от стеклоочистителя ВАЗ) и диаметр ролика 25мм.
Всего лишь один вопрос. При этом диамере ролика подачу 12 метров в минуту обеспечивает?
Аватара пользователя
Petrovich
Сообщения: 2021
Зарегистрирован: 25 авг 2008, 23:19

Re: Re:

Сообщение Petrovich »

LL1ax писал(а):...
Мож кому пригодится.
В Вашей схеме я не обнаружил динамического торможения.
Аватара пользователя
Komrad
Сообщения: 2713
Зарегистрирован: 27 авг 2011, 21:07

Re: Re:

Сообщение Komrad »

В Вашей схеме я не обнаружил динамического торможения.
По моему к3 с1-с3
Ответить