Стабилизация оборотов коллекторного двигателя
Стабилизация оборотов коллекторного двигателя
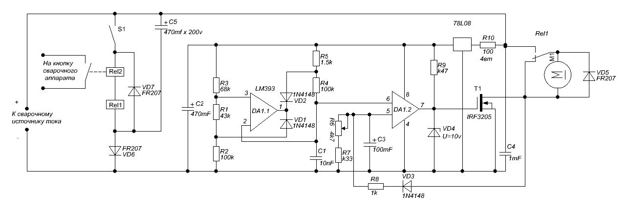
Вот схемка управления подающего механизма которую обещал выложить (думаю многие на нее натыкались в просторах интернета), питается от самого сварочного источника, кнопка как видно развязана на реле, поэтому не должна по идее являтся источником помех. Двигатель протяжки взят от стеклоочистителя ВАЗ. Сама схемка кривовата и требует переработки, т.к. стабилизация оборотов не учитывает изменение входного напряжения, но работает.
Стабилизация оборотов двигателя ПТ
В этой теме предлагаю обсуждать различные схемы стабилизации оборотов двигателя постоянного тока, ДПТ. Основная цель темы это стабилизация скорости подачи сварочной проволоки в аппаратах MIG, т.е. в сварочных полуавтоматах.
Re: Re:
Тоесть при изменении входного напряжения меняются обороты?стабилизация оборотов не учитывает изменение входного напряжения, но работает.
Re: Re:
Паузу выдержал, ответа нет. Скорость подачи электродной проволоки подбирают с таким расчётом, чтобы обеспечивалось устойчивое горение дуги при выбранном напряжении на ней. Меняем напряжение в ту или иную сторону и уже необходимо корректировать величину подачи. Зависимость примерно отображена на графике (для проволоки 0.8) ниже.Он в паршивеньком качестве, посему маленький коментарий.Левая вертикальная ось графика-толщина свариваемых деталей.Правая вертикальная ось - скорость подачи проволоки. Горизонталь-ток сварки. Предложенная Петровичем схема запитана от сварочного источника при изменении питания коректирует величину подачи как-бы автоматом ,тоесть о ее "кривоватости" можно поспорить.
- Вложения
-
- image079.gif (4.52 КБ) 35805 просмотров
Re: Re:
Это предложено не мною. Я просто пытаюсь перенести все посты, связанные с подачей из разных тем в эту. Тема стоящая. Пока получается не очень. Вот, и название испортил.Komrad писал(а):...Предложенная Петровичем схема запитана от сварочного источника при изменении питания коректирует величину подачи как-бы автоматом ,тоесть о ее "кривоватости" можно поспорить....

Re: Re:
в свое время разжился вот таким механизмом, двигатель ДПР-72-Ф1, думаю с него реализовать протяжку. Комрад подскажите как посчитать подающий ролик ?
Re: Re:
В принципе там считать и нечего. Длина окружности=диаметр*3.14 . Ролик диаметром 4 см имеет длину окружности около 12,5 см. Что бы получить подачу 12 метров/минуту нужно 95-100 оборотов. Определяем,при каком напряжении на моторчике выходной вал редуктора даст нужные обороты, заодно и ток померять, то-есть получим параметры для питателя, ежели он отдельно реализован. На практике делал ролики 35-40мм. Можно и больше, но с увеличением диаметра теряем момент. А как у него с торможением?bus12 18 янв 2012, 08:27
в свое время разжился вот таким механизмом, двигатель ДПР-72-Ф1
Re: Re:
внутри обычная червячная передача, сам двигатель: "Электродвигатели серии ДПР-72 - высокоэффективные управляемые быстродействующие реверсивные электродвигатели постоянного тока с полым якорем. Применяются для высококачественных исполнительных приводов в приборостроении, радиоэлектронике, машиностроении." пока не крутил, но думаю что при таких характеристиках достаточно и торможения двигателем (замыканием обмоток).
Re: Re:
Не вникал,насколько ДПР-72 отличается от ДПР-62 поскольку схемку увидал случайно. Bus 12, гляньте сами, мож Вам и подойдет. Кстати, с вышевыложеной схемой они как близнецы.
Re: Re:
Komrad спасибо за идею, уже начал трассировать плату, пока ищу ролик для реализации протяжки, чтобы не морочиться с токарными работами буду искать в магазинах запасной ролик для п/а