Реанимация древних машин. На фанерке.
Re: Реанимация древних машин. На фанерке.
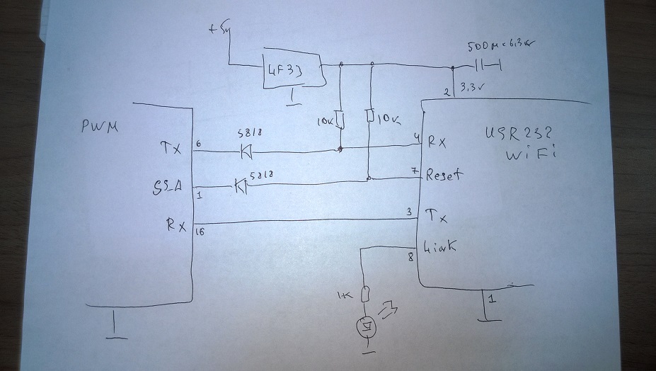
Если хто надумает ставить вайфай, то для тех модульков как мои, можно подрубить как на пикче. Для остальных - сами разбирайтесь.
Светодиёд можно и не ставить, эт чиста для понту, что вайфай соединен.
Светодиёд можно и не ставить, эт чиста для понту, что вайфай соединен.
I'll be back
Re: Реанимация древних машин. На фанерке.
Я правильно понял тут мост без конденсатоа послед с первичкой ?
Re: Реанимация древних машин. На фанерке.
таки даPrived писал(а):Я правильно понял тут мост без конденсатоа послед с первичкой ?
Re: Реанимация древних машин. На фанерке.
Схемку силовухи надобы изобразить. Понятнее будет. Завтра нарусую
I'll be back
Re: Реанимация древних машин. На фанерке.
Сравнить вживую фанерку и касого не получиласи, весь день промоталси. Зато ща схемку нарисовал. Надеюсь что без косяков, Впрочем если отыщутся подправим. Пару замечаний.
1. Если хто будет ставить вай фай имейте ввиду. Модулек жрОт ток как не в себе. Раза в три - четыре более чем все остальное. Особенно когда рантайм конект с мабилой. Но зато дома со второго этажа в подвале запросто сварку врубает
. Потому с линейником 7805 засада. Того кусочка уголка , что на фотках , прикрученного к нему, хватает на минуту. Поставил болванчика, по уму то чопер нада делать, лень, но походу без него как то слишком неэстетично. Придется приколхозить.
2. Емкости снаберов на модуле ориентировочные. Должно прокатить, проварю сам , прочекаю, что и как. дам знать если чего.
3. Диодеры. если жаба душыть UFB , то мона и ЕБУки, но ТОЛЬКО 400 вольтовые, иначе пинцет.
4. Модуль или баян 50S ? Пусть решает земноводное и бюджет. Комрад проделал большую работу по боянизму, так что подскажет что и как.
5. Дроссель. Благодаря адаптивной коммутации тут все почти с точность до наоборот по сравнению с соседней веткой. Делать на чем угодно, лиш бы не падала индуктивность на мак токах. Потому обычны жалезны дросселёк, на каком нидь ТС сирдешнике, на котором клепают дроссели не только радиогубители, но и промышленники вполне. Можно и на альсифере как у меня, но от нормальной железчки хуже не будет. Попробую и сам какнидь железного арни.
6. Пакетники и прочее по желанию. Сетевой синфазный фильтр на колечке с емкостями вреда не принесет.
1. Если хто будет ставить вай фай имейте ввиду. Модулек жрОт ток как не в себе. Раза в три - четыре более чем все остальное. Особенно когда рантайм конект с мабилой. Но зато дома со второго этажа в подвале запросто сварку врубает
2. Емкости снаберов на модуле ориентировочные. Должно прокатить, проварю сам , прочекаю, что и как. дам знать если чего.
3. Диодеры. если жаба душыть UFB , то мона и ЕБУки, но ТОЛЬКО 400 вольтовые, иначе пинцет.
4. Модуль или баян 50S ? Пусть решает земноводное и бюджет. Комрад проделал большую работу по боянизму, так что подскажет что и как.
5. Дроссель. Благодаря адаптивной коммутации тут все почти с точность до наоборот по сравнению с соседней веткой. Делать на чем угодно, лиш бы не падала индуктивность на мак токах. Потому обычны жалезны дросселёк, на каком нидь ТС сирдешнике, на котором клепают дроссели не только радиогубители, но и промышленники вполне. Можно и на альсифере как у меня, но от нормальной железчки хуже не будет. Попробую и сам какнидь железного арни.
6. Пакетники и прочее по желанию. Сетевой синфазный фильтр на колечке с емкостями вреда не принесет.
- Вложения
-
DC-DC-AC.dch- (185.49 КБ) 800 скачиваний
I'll be back
Re: Реанимация древних машин. На фанерке.
Разрядные резюка паралельно банкам забыл нарисовать. Уменя стоят 2 штука 100к 2 ватта. Ставить желательно. Разряжать литы отверткой ну его нафиг. А так подождать пару мин и все поутихнет.
I'll be back
Re: Реанимация древних машин. На фанерке.
А можешь показать, шо нарисовал, в менее экзотическом формате?sam_soft писал(а): Зато ща схемку нарисовал.
Re: Реанимация древних машин. На фанерке.
Данет так никакой экзотики. Диптрэйс настолько экзотичен у загнивающик как и пикад или майкрокап. Скорее всего нет ничего интересного для Худрука. Все мелькало и тут и там и в апнотах. Ничо нового я не иэобрел. Все уже давно изобретено. Тем не менее для Худрука сделаю пик. Вечером. К сож нет мобайл версии диптрэйса.
I'll be back
Re: Реанимация древних машин. На фанерке.
Спасибо канешна, но я кадами не пользуюсь. Поэвтому, если можно, покаж картинофку в .png или там в .jpg.sam_soft писал(а): для Худрука сделаю пик.
Re: Реанимация древних машин. На фанерке.
Пик=пикча = картинка. Издержки мобайл тайпинга.
I'll be back