Конструируем DC-AC мост: баяны и модули
Re: Конструируем DC-AC мост: баяны и модули
Да это осцилка верхней части 15 вольт при отключении затворов нет изменений .
Re: Конструируем DC-AC мост: баяны и модули
Остаётся тока душить чем либо, это не дело с такой пульсацией юзать. Ёмкости смотрели, может какая-то дохлая. А что за схемка этого питальника? скинь картинку если не трудно, чтобы тут можно было посмотреть.
Re: Конструируем DC-AC мост: баяны и модули
Питатель на TOP.
Re: Конструируем DC-AC мост: баяны и модули
Ой, ёёёёё...больше ТОПа 247 ставить не советую. У 250 отсечка 5 ампер. У меня это было, подёргается и ага.dik01 писал(а):...TOP 250 ели теплый сегодня попробую...
Re: Конструируем DC-AC мост: баяны и модули
То же замечал пока не разобрался. Делал на нем зарядку для АКБ, при 14,6V снимал 11А и при 11,8 происходила отсечка (12А так и не получилось). При малых тока ток отсечки устанавливается резистор по входу X, и им регулируется уровень ограничения тока (максимальная мощность перезагрузки TOPа). При больших токах X соеденен с S и F. На 250 сделан уже не один питальник расчитанный в PI Txpert 8. Хотя для плохой фазы иногда и извратится приходится...Petrovich писал(а): У 250 отсечка 5 ампер. У меня это было, подёргается и ага.
... нельзя впихнуть невпихуемое, связать несвязуемое ...
-
Evgeniy-free
- Сообщения: 392
- Зарегистрирован: 02 дек 2012, 07:30
- Откуда: Сибирь
Re: Конструируем DC-AC мост: баяны и модули
Если я правильно понял, на осциллограмме вы растянули начальный всплеск питания затворов до 5 микросекунд и увидели пульсации работы ТОРа с частотой в 100кГц. Скажем посмотрев на осциллограмму с пределом в 10 миллисекунд вы заметите вначале всплеск до 18 вольт, а потом сработает стабилитрон и напряжение упадёт до 15 вольт.dik01 писал(а):Встретился с проблемой на выходе драйверов на затворы баяна наблюдаю пульсацию
По крайней мере у меня так, и всё отлично работает!
Пару слов о питании... Долго думал как организовать питание в сварочнике, сначала было примерно как у Комрада, потом переделал... В общем 15в и 3х18в сделал на ТОР 224 и сердечнике EI33, стабилизация естественно по +15в на TL431, стабилизация 18в та LM317. Второй БП на ТОР250 служит для питания спулгана и вентиляторов сварника через импульсный стабилизатор на LM2576 с 24в в 12в. Оба БП питаются от одного отдельного выпрямителя +310в, только ТОР224 разделён ещё и диодом, ну и перед каждым топом ещё стоит плёночный кондёр.
Re: Конструируем DC-AC мост: баяны и модули
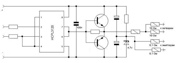
В дипе эмиторника нет. На 6-7 никаких емкостей дополнительных вешать нельзя, для того и мощный эмитерник чтоб с емкостями затворв быстро справлятся. Скорее оплошность в схеме, иначе что там делать стабилитрону. Наверно предпологалось примерно так, или как у InfineonPAVEL писал(а): Прослеживается, что должно соединено с 6-7 ногой, явно средняя точка.
Думаю стоит посмотреть схему та что в дипе.
... нельзя впихнуть невпихуемое, связать несвязуемое ...
Re: Конструируем DC-AC мост: баяны и модули
Может и оплошность, Х.З. На странице 16 вверху фото драйверов, кто хочет может сравнить схему драйвера баяна и само железо. ТО что там есть пару "лишних" деталей (на схеме они тоже есть ) легко объяснить - мне было неизвестно будут работать эти драйвера или нет и потому на тех же печатках есть возможность организации отрицательного напряжения на затворы. Как показала практика, без отрицаловки можно обойтись, как и без резисторов в эмитерах. Где-то есть у меня одна статейка по поводу этих резисторов, если найду - выложу.kava писал(а):Скорее оплошность в схеме, иначе что там делать стабилитрону. Наверно предпологалось примерно так, или как у Infineon
Извините, был не внимателен.dik01 писал(а):Они стоят в схеме между 5и 8 ножкой и электрического соединения не имеют с 6-7 ножкой.
Re: Конструируем DC-AC мост: баяны и модули
Если на выходных перестанут стрелять буду в гараж сварку тянуть пробывать варить, потом напишу, что получилось.
