БП сварочного инвертора.

Аватара пользователя
Komrad
Сообщения: 2713
Зарегистрирован: 27 авг 2011, 21:07

Re: БП сварочного инвертора.

Сообщение Komrad »

Термисторов я ставил два, NTC 10D-20 последовательно. Но вот позавчера делал заказ и хотел взять пару термисторов. Так на Космодроме им цену погнали 13-15 гнр за штуку, так что я взял 10Вт 47 Ом резистор и фиг с этими NTC.
Входной фильтр на Ш феррите тоже брал готовый с комповского БП, как и кондеры, собсно просто перенес оттуда входной фильтр.
Кольцо распыленки для фильтра силы опять-же из БП , только старго образца, размером побольше. Витков по памяти 7 в разные стороны. С намоткой кольца был казус-при намотке эмалированным проводом 2.2 мм на углах возможно повреждение изоляции как провода так и кольца, а его материал проводящий. Получилось межвитковое через кольцо. Проверял перед подключением низким питанием и заметил только таким образом. Так что примите к сведению.
plit
Сообщения: 241
Зарегистрирован: 12 сен 2013, 00:01

Re: БП сварочного инвертора.

Сообщение plit »

Обязательно учту, кольцо есть в наличии размером 23*10*10 у вас очевидно побольше. И еще позвольте небольшое уточнение по вашей плате бп на ТОР питает реле управу и ТГР, а питание драйверов сделано на отдельном?
Аватара пользователя
Komrad
Сообщения: 2713
Зарегистрирован: 27 авг 2011, 21:07

Re: БП сварочного инвертора.

Сообщение Komrad »

plit писал(а):, кольцо есть в наличии размером 23*10*10 у вас очевидно побольше.
Так и есть, побольше. Думаю можно попробовать на двух 23*10*10 , по отдельности, намотать витков по 10.
plit писал(а): по вашей плате бп на ТОР питает реле управу и ТГР, а питание драйверов сделано на отдельном?
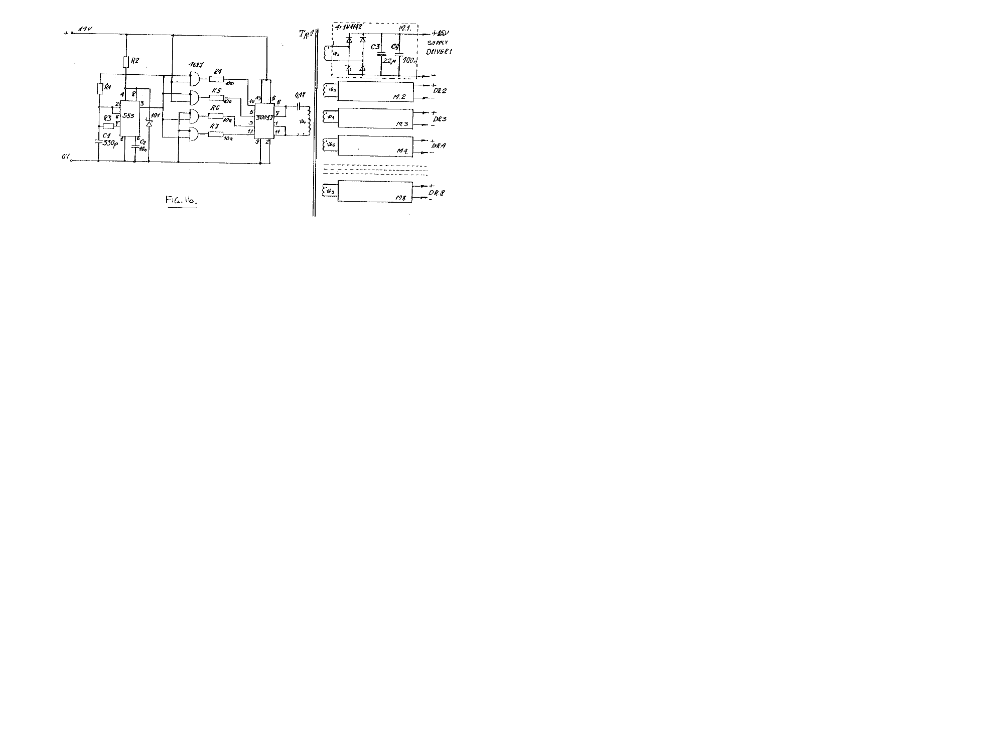
Питание драйверов баяна от отдельного БП. Был еще такой питатель (во вложении ). Там было организовано +15 и +15 -6, +15 -6 для драйверов на 3120 ,но переделать печать под три развязанных 18 вольт нет проблем, еще и на опторазвязку останется. Протяжку ПА будете делать?
Вложения
питание 3.rar
(21.74 КБ) 704 скачивания
plit
Сообщения: 241
Зарегистрирован: 12 сен 2013, 00:01

Re: БП сварочного инвертора.

Сообщение plit »

Komrad писал(а): Так и есть, побольше. Думаю можно попробовать на двух 23*10*10 , по отдельности, намотать витков по 10.
То есть два отдельных делать, думал вся суть в общем магнитопроводе.
Komrad писал(а):Протяжку ПА будете делать?
Буду, только в последнюю очередь и скорее всего сделаю в отдельном корпусе.
DC-AC тоже буду баянить,может и соберу, а вот как и где испытывать пока думаю.
Эх не скоро это дело сделается.
Аватара пользователя
Komrad
Сообщения: 2713
Зарегистрирован: 27 авг 2011, 21:07

Re: БП сварочного инвертора.

Сообщение Komrad »

По фильтрам гляньте сюда, и ниже там разговор был
Аватара пользователя
egor
Сообщения: 715
Зарегистрирован: 05 июл 2013, 11:47
Откуда: Россия, МО

Re: БП сварочного инвертора.

Сообщение egor »

plit писал(а):Вроде бы определился со схемой,
Хочу вложить свои 5 копеек. Прежде чем изготавливать бп на ТОр прочитайте опус ur5fia
viewtopic.php?f=4&t=29&start=200
к нему могу тока добавить- без показометра индуктивности лучше подумать о прямоходе. У вас из обратнохода может чего то и получится, но это будет совсем то.
Не хочу никого обидеть или задеть, но приведу примеры...тычки по питанию..которые давятся резисторами, супрессорами. Лучше правильно сделать ТОР.
Они работают на частоте порядка 130кГц. ETD29 на этой частоте готов отдать навскидку более 200вт. про Е34 ваще молчу. Получите большую индуктивность или большой расчетный зазор, что сделает ТОР неработоспособным.
у меня блок питания 15в на Е25 нагружается на 3,5А и не икает
куча раздельных обмоток на ТОР, мне кажется "недокументированное" использование ТОР (могу ошибаться)
для маломощных обратноходов ( от 5 до 30вт) есть серия TNY
про оптодрайвера..считаю что лучше перепздеть, чем недопздеть- на каком-то сайте (типа электровоза) на схеме прямо указано- если питание оптики питать из топа, то обмотки выносить аж за экран. Объяснение- пики напряжения, вызывыемые работой ключей, вызывают броски напряжения на обмотке обратной связи ТОРа.
вот посмотрите как люди заботятся о питании драйверов (синфазные индуктивности, прямоход от стабилизированного источника), патент оформили
Питание кнопки..аналогично оптодрайверам, токо скачки до 5-10кв- делать как у Сэма отдельный блок
Вложения
2.GIF
1.GIF
Последний раз редактировалось egor 14 дек 2013, 21:55, всего редактировалось 2 раза.
Аватара пользователя
egor
Сообщения: 715
Зарегистрирован: 05 июл 2013, 11:47
Откуда: Россия, МО

Re: БП сварочного инвертора.

Сообщение egor »

Если нужно сделать расчет для ТОРа могу помочь, расчет гарантирую для Epcos (для остальных не гарантирую), зазор не дам- тока индуктивность первичной обмотки ввиду вышеперечисленного
plit
Сообщения: 241
Зарегистрирован: 12 сен 2013, 00:01

Re: БП сварочного инвертора.

Сообщение plit »

Komrad писал(а):По фильтрам гляньте сюда, и ниже там разговор был
С теорией фильтров ознакомлен неплохо (так себе думаю), интересуюсь практическим применением укороченного фильтра в сети без заземления, ведь сама суть фильтра в подавлении и отвода в землю помех. Вобщем буду пробовать.
egor писал(а):Хочу вложить свои 5 копеек.
Спасибо за рекомендации. Конечно же я прочитал большую часть форума но с каждым шагом сборки возникают моменты, которые или упустил или не доучился :oops: так как изготовление импульсных преобразователей для меня в новинку, лучше лишний раз переспрошу (благо есть люди готовы помочь, за что им респект) дабы потом не искать бубен.
Да, вариант вернуться в "железный век" всегда имеет место :mrgreen:
Аватара пользователя
Petrovich
Сообщения: 2021
Зарегистрирован: 25 авг 2008, 23:19

Re: БП сварочного инвертора.

Сообщение Petrovich »

plit писал(а):Вроде бы определился со схемой,...,
Заранее благодарен!
Советую по аккуратнее с кнопкой. Так не пойдёт. Убедился на горьком опыте, что через релюхи осциллятор пробивает на всё. Поэтому альтернативы СЭМовскому просто трансу пока не вижу. Подключал я как описывал в статье "Блок питания сварочника" от отдельной обмотки. Результат - выбитый БП.
plit
Сообщения: 241
Зарегистрирован: 12 сен 2013, 00:01

Re: БП сварочного инвертора.

Сообщение plit »

Petrovich писал(а):Поэтому альтернативы СЭМовскому просто трансу пока не вижу.
Простите, а этот самый СЭМоский транс, та часть что на картинке?

Да, нюансов все больше и больше, пожалуй соберу силовой фильтр с выпрямителем и запитаю управу с тгр от "железяки" на 15 вольт, а там буду дальше думать, что и как.
Вложения
Копия Shema_PWM_v1.JPG
Ответить