Стабилизация оборотов коллекторного двигателя

Olegnet
Сообщения: 1
Зарегистрирован: 05 сен 2013, 17:30

Re: Стабилизация оборотов коллекторного двигателя

Сообщение Olegnet »

хочу попробовать сделать подавалку с прижимом к ролику электромагнитом при постоянно вращающемся двигателе ,вижу некоторые плюсы,а именно- малоинерцеонность подачи при старте да и сторможением думаю меньше проблем.Силу прижима можно регулировать длиной плоской пружины или попробовать електромагнитным потоком,пока все в проэкте,
займусь практической рализацией чуть позже когда появитсь время,о результатах отпишусь.
Интересует мнение форумчан по этому вопросу.
Аватара пользователя
Komrad
Сообщения: 2713
Зарегистрирован: 27 авг 2011, 21:07

Re: Стабилизация оборотов коллекторного двигателя

Сообщение Komrad »

Olegnet писал(а):хочу попробовать сделать подавалку с прижимом к ролику электромагнитом при постоянно вращающемся двигателе ,вижу некоторые плюсы,а именно- малоинерцеонность подачи при старте да и сторможением думаю меньше проблем.Силу прижима можно регулировать длиной плоской пружины или попробовать електромагнитным потоком,
Не видел такого нигде, наверное потому, что такое решение несколько расточительно.
На мой взгляд лучше потратить деньги для фирменного канала, либо приобрести для своей горелки бауден с тефлоном, хорошая вещь. Почему? Проволока должна проходить через канал максимально без сопротивления. Равномерный ход-это качество сварки, никакая стабилизация скорости подачи не компенсирует рывки, заедание. Да и инерционность тут рядом.
Следует обратить внимание на тактильное ощущение от такой мелочи, как кнопка на горелке. Она должна быть "легкой" и не болтаться. Если кнопка тугая, создается впечатление "выдавливания" тока из аппарата. А "легкая" кнопка, проходящая без заминок проволока-это комфорт в работе. При этом прижим на подаче механический, не требующий энергии на ВКЛ или ОТКЛ, и моторчик вращается по требованию, а не постоянно.
Это всего лишь мое мнение, каждый имеет право на реализацию задумки и если Вам тАк хочется - почему бы и нет.
Аватара пользователя
PAVEL
Сообщения: 1218
Зарегистрирован: 10 дек 2011, 18:37
Откуда: Россия

Re: Стабилизация оборотов коллекторного двигателя

Сообщение PAVEL »

Olegnet писал(а):хочу попробовать сделать подавалку с прижимом к ролику электромагнитом при постоянно вращающемся двигателе ,вижу некоторые плюсы,а именно- малоинерцеонность подачи при старте да и сторможением думаю меньше проблем.

Тут лучше применить шаговый двигатель если поработать то над этим.Я вот выход вижу в этом, попытки такое соорудить были от "asin" но пока тишина.Будем ждать :)
Olegnet писал(а):Силу прижима... или попробовать електромагнитным потоком,пока все в проэкте,
Надо тогда сперва подумать как такой магнит сделать или достать готовый,просто магнит для такой цели не годится надо что-то типа цепного или попросту шагового .
Sinner
Сообщения: 168
Зарегистрирован: 18 фев 2013, 21:30

Re: Стабилизация оборотов коллекторного двигателя

Сообщение Sinner »

Прошу помощи в таком вопросе. Как можно уменьшить обороты протяжки на минимальном задании? (Схема со стабилизацией на Атмеге 8 на главной). Протяжка китайская низкоомная 24V, 3A. Сопротивление якоря полтора ома. Если снизить питающее напряжение, то срывается стабилизация, и двигатель дергается раз в секунду от заданной скорости до максимума. Измерительный резистор уже уменьшен с 0.22 до 0.1 Ом.
Чем вообще настроить ШИМ, константами какими в ЕЕПРОМе, или в схеме что подобрать?
Аватара пользователя
Komrad
Сообщения: 2713
Зарегистрирован: 27 авг 2011, 21:07

Re: Стабилизация оборотов коллекторного двигателя

Сообщение Komrad »

Sinner писал(а):Протяжка китайская низкоомная 24V, 3A. Сопротивление якоря полтора ома. Если снизить питающее напряжение, то срывается стабилизация, и двигатель дергается раз в секунду от заданной скорости до максимума.
Почитав немного материала по применению китайских подавалок на 24 вольта, можно выделить один общий момент-у многих есть проблема на малых оборотах при разном схемном решении управления частотой вращения. Для общей картины с такими подавалками хорошо-бы собрать побольше инфы.
Аватара пользователя
sam_soft
Сообщения: 1523
Зарегистрирован: 30 окт 2009, 22:27

Re: Стабилизация оборотов коллекторного двигателя

Сообщение sam_soft »

Sinner писал(а):Как можно уменьшить обороты протяжки на минимальном задании?
Уменьшить мин задание :). Попробуй как моторчик просто от постоянки работает. Найди мин напругу постоянки при которой он стартует. Што та мне помнится умногих китайских подач есть болезьнь, у ихних моторов, оч мал крутящий момент двигуна. Подача свое берет только за счет куевой тучи оборотов. Но шоб ему сорваться с места нужна напруга. ПИД на М8 при старте разеват ШЫМ на всю катушку. Так что врядли старт лучше будет от регулируемой постоянки.
А вообще спроси у Customs, он по моему пользовал китайскую подачу и вроде у него были результаты.
I'll be back
Sinner
Сообщения: 168
Зарегистрирован: 18 фев 2013, 21:30

Re: Стабилизация оборотов коллекторного двигателя

Сообщение Sinner »

Настроил сегодня подачу с китайским низкоомным подающим механизмом. Напряжение питания уменьшил до 23 вольт, измерительный резистор 0,1 Ом, а подстроечный резистор в цепи инвертирующего входа ОУ увеличил до 47кОм. Параметрами feed_b_scale и feed_c_scale подогнал показания индикатора под реальную скорость подачи. Все работает стабильно, только угол поворота переменного резистора от минимума до максимума составляет всего 50%, что неудобно. Надо растянуть регулировку. Как быть: добавить последовательно переменнику постоянный резистор или есть какие то специальные параметры в ЕЕПРОМе?
Что означают константы: ep_p_gain = 0.25; // proportional gain; ep_i_gain = 125; // integral gain ?
Аватара пользователя
sam_soft
Сообщения: 1523
Зарегистрирован: 30 окт 2009, 22:27

Re: Стабилизация оборотов коллекторного двигателя

Сообщение sam_soft »

Это константы ПИ регулятора. пропорциональное и интегральное усиление. Что касаемо резюка регулятора, то у меня его и нету. я всегда пользую автомат и варю исключительно алюминий. Настройки для алюма достаточно капризные. Чуть што не так - срач :) Што касаемо твоего случая, то резюки постоянники включенные с ползуном помогут растянуть диапазон, попробуй
I'll be back
Аватара пользователя
виктор76
Сообщения: 189
Зарегистрирован: 11 июн 2013, 00:17
Откуда: Крым ,Саки

Re: Стабилизация оборотов коллекторного двигателя

Сообщение виктор76 »

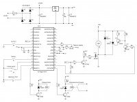
доброго дня есть кто ,кто паял ету схему ,дребезг реле на держак ,при нажатии кнопки горелки дребезг реле газа ,только при отключенном тиристоре работает регулятор оборотов
Вложения
31313131.JPG
Аватара пользователя
Petrovich
Сообщения: 2021
Зарегистрирован: 25 авг 2008, 23:19

Re: Стабилизация оборотов коллекторного двигателя

Сообщение Petrovich »

mehanik писал(а):Нарисованная мною схема может и будет работать,....
Вот уж пришлось повозиться с этой схемой на TL-494. Ну не работает она, и не должна, пока 15 ногу от земли не отрежите и не припаяете её на Uref. Т.е. 13, 14, 15 ноги соединяем вместе.
Напряжение ОС надо интегрировать, для этого между стоком КП-103 и конденсаторами ставим резистор примерно 10 кОм. У меня вместо КП-103 стоит какой-то RF.
Теперь работает очень даже не плохо.
Ответить