Конструируем DC-AC мост: баяны и модули
Re: Конструируем DC-AC мост: баяны и модули
В своё время я выбрал именно пункт №3,и ни разу не прогадал!!!Других вариантов просто не было 
Re: Конструируем DC-AC мост: баяны и модули
Ты всерьез думаешь, что Она будет? Он даже двадцатой доли не осознает, с чем имеет дело. И что дается " просто так".egor1 писал(а): С удовольствием повторю вашу разработку
Не хочу фантазировать, но Автор сего сварника вскользь упоминал о своей бывшей работе, в одном НИИ. Это не совсем любительская разработка. Видать Сэму было просто интересно.
Re: Конструируем DC-AC мост: баяны и модули
А ещё он намекал, что кандидат...Komrad писал(а):.... но Автор сего сварника вскользь упоминал о своей бывшей работе, в одном НИИ. Это не совсем любительская разработка. Видать Сэму было просто интересно.
А если без этих, а чё тут можно упростить или облегчить? Да ни чё. Всё предельно просто и понятно.
Re: Конструируем DC-AC мост: баяны и модули
Воу! Воу! Воу! Палегче коллеги. Ниче себе у Вас подгорает....
Вопервых никто никому никаких предьяв не кидал. Я сюда пришел за разъяснениями некоторых непонятных для меня моментов. Мне начали отвечать не поделу (из разряда сам промоделируй, собери, покажи, купи и т.д) и тыкать мне в лицо ссылками на графики которых сами не понимают. В очередной раз конкретизирую свои вопросы на котрые хотелось бы получить АРГУМЕНТИРОВАНЫЕ ответы:
- можно ли без снижения тока в ДС части "жестко", на полном токе дуги (возьмем максимальный ток в 200А) переключать плечи ДС-АС моста, какой запас по току для баяна транзисторов нужен и почему баян из 3-х IRFP466 для этого подходит/неподходит;
- можно ли непосредственно ДС-АС мостом ШИМить и получать нарастание и спад тока.
ЗЫ: Прошу не писать в качестве ответов что я -" ...не осознает, с чем имеет дело.", а оперировать только количественными аргументами.
Вопервых никто никому никаких предьяв не кидал. Я сюда пришел за разъяснениями некоторых непонятных для меня моментов. Мне начали отвечать не поделу (из разряда сам промоделируй, собери, покажи, купи и т.д) и тыкать мне в лицо ссылками на графики которых сами не понимают. В очередной раз конкретизирую свои вопросы на котрые хотелось бы получить АРГУМЕНТИРОВАНЫЕ ответы:
- можно ли без снижения тока в ДС части "жестко", на полном токе дуги (возьмем максимальный ток в 200А) переключать плечи ДС-АС моста, какой запас по току для баяна транзисторов нужен и почему баян из 3-х IRFP466 для этого подходит/неподходит;
- можно ли непосредственно ДС-АС мостом ШИМить и получать нарастание и спад тока.
ЗЫ: Прошу не писать в качестве ответов что я -" ...не осознает, с чем имеет дело.", а оперировать только количественными аргументами.
Re: Конструируем DC-AC мост: баяны и модули
Будет как в футболе - две желтых и с поля. Одна у Вас уже есть.bob_2 писал(а):Воу! Воу! Воу! Палегче коллеги. Ниче себе у Вас подгорает....
Вопервых никто никому никаких предьяв не кидал. Я сюда пришел за разъяснениями некоторых непонятных для меня моментов. Мне начали отвечать не поделу (из разряда сам промоделируй, собери, покажи, купи и т.д) и тыкать мне в лицо ссылками на графики которых сами не понимают
Re: Конструируем DC-AC мост: баяны и модули
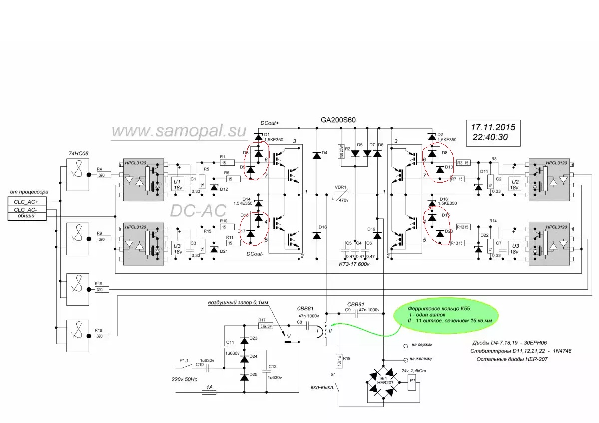
Всем привет . Если повторюсь в вопросе то прошу прощения . У диодов на затворах IGDT направление указано верно ?
Их не стоит развернуть ? В место модулей будут транзисторы STGE200NB60S.
Их не стоит развернуть ? В место модулей будут транзисторы STGE200NB60S.
Re: Конструируем DC-AC мост: баяны и модули
Похоже не верно. В Диповской схеме катоды на затворах, у меня в схеме баяна тоже, и на фотке можно разглядеть viewtopic.php?f=4&t=30&start=140#p6584 .Самое интересное - в предидущем варианте схемы на Главной было правильноchip88 писал(а):У диодов на затворах IGDT направление указано верно ?
Re: Конструируем DC-AC мост: баяны и модули
Нет, не стоит. Здесь такой алгоритм:chip88 писал(а):Всем привет . Если повторюсь в вопросе то прошу прощения . У диодов на затворах IGDT направление указано верно ?
Их не стоит развернуть ? ....
При превышении напряжения на мосте открывается супрессор на 350 вольт, это через диоды открывает ИЖБиТи транзисторы. Я помню, это СЭМ обьяснял.
Re: Конструируем DC-AC мост: баяны и модули
Ну все правильно
На картинке скорее всего опечаткаPetrovich писал(а): При превышении напряжения на мосте открывается супрессор на 350 вольт, это через диоды открывает ИЖБиТи транзисторы.
Re: Конструируем DC-AC мост: баяны и модули
Изначально там фигурировала схема из прицепа. В ней показано два питания U2, одно U3. Вот одно из U2 нужно было заменить на U1, потому как там три изолированных питания. Попутно "перевернулись" диоды в затворах.chip88 писал(а):На картинке скорее всего опечатка