Флуд выходного дня

Аватара пользователя
Komrad
Сообщения: 2713
Зарегистрирован: 27 авг 2011, 21:07

Re: Флуд выходного дня

Сообщение Komrad »

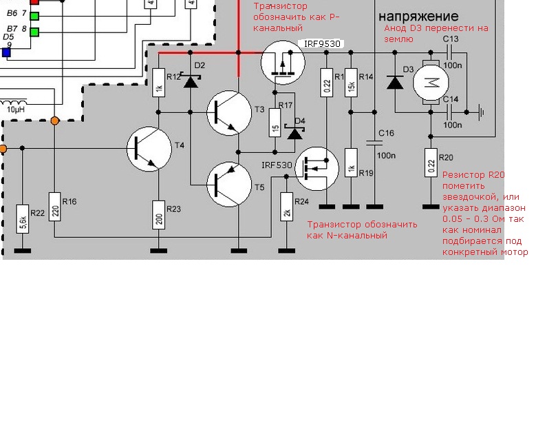
Тгда еще не большие правки и вроде все. Полевики нужно "развернуть", поменять местами D и S.
Вложения
Безымянный.jpg
Аватара пользователя
egor
Сообщения: 715
Зарегистрирован: 05 июл 2013, 11:47
Откуда: Россия, МО

Re: Флуд выходного дня

Сообщение egor »

Komrad писал(а):Тгда еще не большие правки и вроде все. Полевики нужно "развернуть", поменять местами D и S.
может я блукаю, но полевики более или менее правильно нарисованы ( стрелки правильно, а связи внутри полевика нет, стоки правильно)
тут определится с диодом мотора
dik01
Сообщения: 424
Зарегистрирован: 26 мар 2012, 22:13

Re: Флуд выходного дня

Сообщение dik01 »

Komrad писал(а):Тгда еще не большие правки и вроде все. Полевики нужно "развернуть", поменять местами D и S.
И я про то уже просил Петровича поменять эту ошибку.
Аватара пользователя
Komrad
Сообщения: 2713
Зарегистрирован: 27 авг 2011, 21:07

Re: Флуд выходного дня

Сообщение Komrad »

egor писал(а):может я блукаю, но полевики более или менее правильно нарисованы ( стрелки правильно, а связи внутри полевика нет, стоки правильно)
Давайте не будем спорить: более правильно или менее правильно. А нарисуем так, как принято, или как показано в даташите.
Что касается диода, было написано: поскольку в тормозящем полевике уже есть диод, " внешний" можно не ставить. А если ставить, то анодом прямиком к массе, ибо мешает измерениям.
Вложения
195944858_80e5b6ba8050b1798acf131c739fe9a0_800.gif
Аватара пользователя
egor
Сообщения: 715
Зарегистрирован: 05 июл 2013, 11:47
Откуда: Россия, МО

Re: Флуд выходного дня

Сообщение egor »

Komrad писал(а): Давайте не будем спорить: более правильно или менее правильно. А нарисуем так, как принято, или как показано в даташите.
согласен. Реалии то другие- у IRF9530 "стрелку" меняли года два.
тут нет готовой "конструкторской документации"- делай разз-два!. Не говорю о комплектующих- например, мне легче и дешевле купить набор СМД резисторов, чем покупать единичные номиналы и сверлить под них отверстия.
и я не в претензии- проект то добровольный, некоммерческий. Давайте скажем "Спасибо!" Петровичу за сайт и возможность общаться и Сэму за разработку аппаратов.
предлагаю просто написать крупными буквами- схемы для ознакомления, желательно брать за основу от автора
Аватара пользователя
Komrad
Сообщения: 2713
Зарегистрирован: 27 авг 2011, 21:07

Re: Флуд выходного дня

Сообщение Komrad »

Сказано Спасибо много раз. Но по схеме с Главной разводят печатки, потом пишут - НЕ РАБОТАЕТ... Я собрал, проверил, результат огласил. Если нет желания править неточности - пусть так и остается. Лично мне оно не надо.
Аватара пользователя
Petrovich
Сообщения: 2021
Зарегистрирован: 25 авг 2008, 23:19

Re: Флуд выходного дня

Сообщение Petrovich »

Komrad писал(а):Сказано Спасибо много раз.... потом пишут - НЕ РАБОТАЕТ... ...
Исправил.
П.С. ..а что эти колхозники сами не видят, что якорь заряжается плюсом, а разряжается N-каналом? :mrgreen:
Если конкретно указал, то я сразу конкретно исправил. Далёк я уже от сварки, репу морщить лень.
Вот увлёкся измерителем RLC.
Аватара пользователя
egor
Сообщения: 715
Зарегистрирован: 05 июл 2013, 11:47
Откуда: Россия, МО

Re: Флуд выходного дня

Сообщение egor »

Petrovich писал(а): Вот увлёкся измерителем RLC.
каким если не секрет? имею два самопала...у каждого свои недостатки есть, но главное- индуктивность одинаково показывают
Аватара пользователя
Petrovich
Сообщения: 2021
Зарегистрирован: 25 авг 2008, 23:19

Re: Флуд выходного дня

Сообщение Petrovich »

egor писал(а):...каким если не секрет? ...
Почитал"Радиокот". Очень вдохновило. Но мне не так нужен измеритель (хотя нужен, мой сломался) сколько хочу по программировать. Столкнулся впервые со сложностью вычислений, вот это и не даёт покоя. Разбираюсь с плавающей запятой.
А поделитесь опытом, что у Вы делали. С удовольствием посмотрю.
Аватара пользователя
egor
Сообщения: 715
Зарегистрирован: 05 июл 2013, 11:47
Откуда: Россия, МО

Re: Флуд выходного дня

Сообщение egor »

Petrovich писал(а): А поделитесь опытом, что у Вы делали. С удовольствием посмотрю.
как начал собирать заднепроходы, понял, что необходим измеритель L.
сначала наткнулся на ветку
http://vrtp.ru/index.php?s=a97a9b2d404a ... =lcm3&st=0
и собрал его. Из плюсов:
1. не надо точных приборов для градуировки. все делается манипуляциями с клеммами (замкнуты клеммы- L=0, разомкнуты- С=0..и т.д.)
2. достаточная точность измерений для нас.
3. простота схемы
4. измерения от 0 и практически до бесконечности
Минусы:
1. подбор типа двух кондеров.
2. плавают показания от положения и типа катушки индуктивности в приборе (приходилось при каждом включении "градуировать"), особенно было заметно при измерении ESR конденсаторов и низких сопротивлений.
сначала поставил гантельку простую, потом купил гантелю где-то 10мм и намотал нужную индуктивность.
стало лучше, но все равно "неуютно"
3. программатор Пиков (сначала простой "на проводках" от СОМа, им запрограммировал Pickit2)
4. питание от сетевого адаптера.
Надоело, подумал, что ничего лучшего не добьюсь от него и собрал второй (ссылку давал в теме "Лаборатория").
схема посложнее, питание крона, точность неплохая (оба прибора проверял изготовлением трансов для обратноходов и измерением покупных катушек), меряет частоту
градуируется измерением сопротивления 3 точных резисторов (3-х конденсаторов при градуировке измерения емкости). Т.е. он "трехдиапазонный".
после сборки и наладки второго, понял, почему меня не устраивал первый- выбросил из него танталы 10мкф и впаял керамику 10мкф (брал из горелых комповых видюх).
вот так у меня получилось в хозяйстве 2 прибора RLC
в обоих приборах индикатор 16х2 ЛСД, натыкался на реинкарнацию второго прибора на экране от Нокии3310 и питаловом на литий-полимере.
если подытожить, то первый меня сегодня полностью устраивает сегодня, проще, дешевле
приборы на основе мег как-то не вдохновили меня для изготовления сразу
если захотите "порно", то сделаю на днях
Ответить