Осцилятор к косому мосту
Re: Осцилятор к косому мосту
Вима на 1000 вольт один был или два? Два последовательно прокатило-бы. Выход транса по схеме 740 вольт, а дальше удвоение.
Re: Осцилятор к косому мосту
Ир2153..транс Е20 EPCOS 55 витков на 280..удвоениеKomrad писал(а):Вима на 1000 вольт один был или два? Два последовательно прокатило-бы. Выход транса по схеме 740 вольт, а дальше удвоение.
два кондера..на корпусе маркировка АС 600в.ДС 1000в..убило за полчаса "игры" в настольном варианте
два надфиля..зазор по устойчивому пробою..может большой зазор.., но основной вопрос был о нагреве резисторов
Re: Осцилятор к косому мосту
извините Е25 ЭПКОС
Re: Апгрэд Блока управления универсального сварочника
по поводу осциллятора
сегодня уменьшил зазор в разряднике...витки сбросил до 8
вижу мощный пробой (энергию искры) при 5 мм. чуть раньше вроде об этом говорили в теме осциллятора два человека
раньше была длинная искра (10-15 мм) и "худая"
смотрел фото осцилла Харьковского SSVA-160
там боянов кондеров страх- видимо помогает в повторяемости
вижу свое произведение замыкающей емкости- минимум 4 кондера 0,47 послед.- паррал (боян)+2н2х5кВ (как у Комрада, и как советовал Сэм)
сегодня уменьшил зазор в разряднике...витки сбросил до 8
вижу мощный пробой (энергию искры) при 5 мм. чуть раньше вроде об этом говорили в теме осциллятора два человека
раньше была длинная искра (10-15 мм) и "худая"
смотрел фото осцилла Харьковского SSVA-160
там боянов кондеров страх- видимо помогает в повторяемости
вижу свое произведение замыкающей емкости- минимум 4 кондера 0,47 послед.- паррал (боян)+2н2х5кВ (как у Комрада, и как советовал Сэм)
Последний раз редактировалось egor 04 дек 2013, 15:15, всего редактировалось 1 раз.
Re: Апгрэд Блока управления универсального сварочника
Чем больше кандёров, меньше выброс .egor писал(а):по поводу осциллятора...
вижу свое произведение- минимум 4 кондера 0,47 послед.- паррал (боян)+2н2х5кВ (как у Комрада, и как советовал Сэм)
Re: Апгрэд Блока управления универсального сварочника
провода думаю, не причем (какая разница 20х1 или 1х20)..изоляция да...., значитhantmaster писал(а): Вот у меня до того как осциллятор цеплять начал было все отлично варил мма все окей . Вот вопрос...
у меня компьютерный корпус..транс осцилла лежал на корпусе (обмотки изолированные пленкой (24 проводах1мм) барньер+чорная хб изолента)
не нагружаю..сбоев нет
Последний раз редактировалось egor 04 дек 2013, 16:11, всего редактировалось 2 раза.
- hantmaster
- Сообщения: 459
- Зарегистрирован: 01 апр 2013, 14:48
- Откуда: Украина
Re: Апгрэд Блока управления универсального сварочника
Я уже точно знаю что мотать трансик осциллятора так нельзя только или одножильным проводом или шиной или многожильным но жилы должны по всей длинне контачить между собой . Так щас новая проблема сила дохнет тьфу бля
На третий день Господь создал винтовку Ремингтон 700, чтобы люди могли стрелять динозавров и гомосексуалистов
Re: Осцилятор к косому мосту
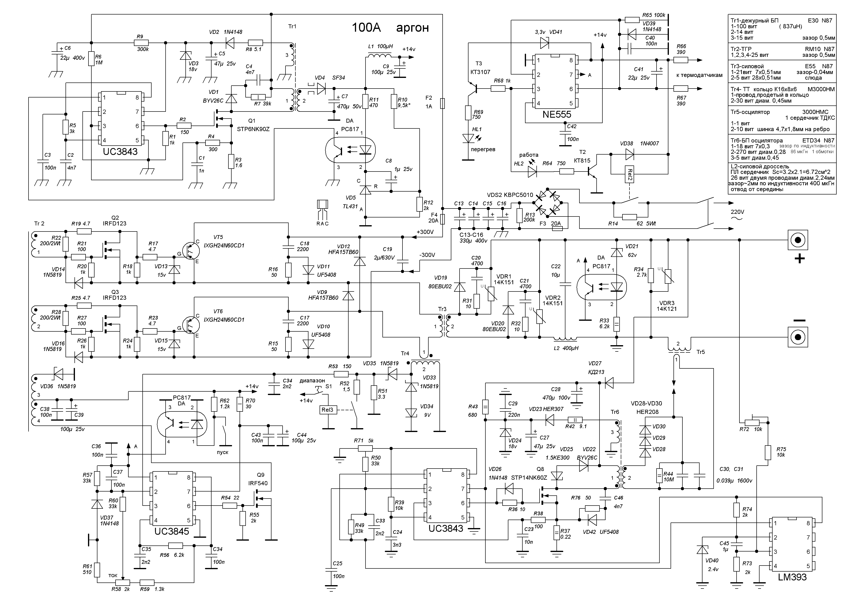
тут схема осцилла на обратноходе, может хто отважится
хотя немного не наш вариант-нет АС. т.е. замыкающих емкостей, варисторов и тп
хотя немного не наш вариант-нет АС. т.е. замыкающих емкостей, варисторов и тп
Re: Апгрэд Блока управления универсального сварочника
как говорит мой начальнег:hantmaster писал(а):Я уже точно знаю что мотать трансик осциллятора так нельзя только или одножильным проводом или шиной или многожильным но жилы должны по всей длинне контачить между собой . Так щас новая проблема сила дохнет тьфу бля
брателло!
у нас силовой намотан изолированными проводами...есть проблемы?
в оригинале транс осцилла намотан монтажным проводом..получается что между витками есть минимум 5 мм резины и воздуха
наскоко я понимаю без резины,может свистеть как между витками, так и между витками и кольцом, и уж очевидно между витками и корпусом
Последний раз редактировалось egor 04 дек 2013, 17:15, всего редактировалось 1 раз.
Re: Осцилятор к косому мосту
Если схема, в принципе, отработана, то к нашему сварочнику пойдет без проблем. Замыкающая емкость есть С22. Схема выходного каскада идентична, количество витков транса совпадает, только вторичную обмотку транса осцилятора подключить в разрыв плюса - как у нас и все. Дроссель и замыкающую емкость устанавливать по схеме СЭМА.