Re: Сварка AC-DC-TIG/MIG-MAG в среде защитных газов (AtMega 8)

zmey71
Сообщения: 774
Зарегистрирован: 14 янв 2011, 14:33
Откуда: Минская обл.

Re: Сварка AC-DC-TIG/MIG-MAG в среде защитных газов.

Сообщение zmey71 »

СЭМа Грузанул я свой сварник по полной,влупил ему по максимуму АС 220А,и палил пол дня,даж в тепловое загнать не смог,а такое желание было.
Аватара пользователя
sam_soft
Сообщения: 1523
Зарегистрирован: 30 окт 2009, 22:27

Re: Сварка AC-DC-TIG/MIG-MAG в среде защитных газов.

Сообщение sam_soft »

zmey71 писал(а):СЭМа Грузанул я свой сварник по полной,влупил ему по максимуму АС 220А,и палил пол дня,даж в тепловое загнать не смог,а такое желание было.
ТИГ 220 ампер - это примерно 4.1 квт. А ММА 180 ампер, только чэсных 180, при соотв напряжении, это почти 6 квт. Разница с нагревом сразу вылезет. Если на испытаниях на баластере не стрельнет, то при сварке проблем не будет, это почти 100%.
I'll be back
zmey71
Сообщения: 774
Зарегистрирован: 14 янв 2011, 14:33
Откуда: Минская обл.

Re: Сварка AC-DC-TIG/MIG-MAG в среде защитных газов.

Сообщение zmey71 »

Ну на баласте в режиме ММА тож не плохо его гонял,да и на лектродах тоже, автоматы на 20А влёт вышыбало на таких токах, и в тепловое загонял не раз,думал спалю нафиг сварник или автоматы,но ничо, и то и то жывое.
Аватара пользователя
Petrovich
Сообщения: 2021
Зарегистрирован: 25 авг 2008, 23:19

Re: Сварка AC-DC-TIG/MIG-MAG в среде защитных газов.

Сообщение Petrovich »

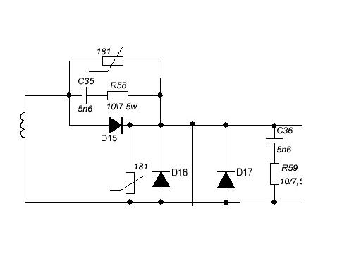
Amator писал(а):... Индуктивность рассеивания тр-ра - 1мкГн, снабберный резистор -18 ом 10Вт., конденсатор снаббера 22 нф. ...
А почему 22н? вроде в схеме 2н2?
Amator
Сообщения: 29
Зарегистрирован: 21 май 2011, 21:26

Re: Сварка AC-DC-TIG/MIG-MAG в среде защитных газов.

Сообщение Amator »

Petrovich писал(а):А почему 22н? вроде в схеме 2н2?
В схеме на главной конденсатор снаббера замыкающего диода 15n, а прямого - 3n3. У меня оба стояли на 22n. при этом резистор снаббера на прямом
диоде чуть теплый, а на замыкающе - кипяток. Уменьшил емкость на замыкающем диоде до 10n - нагрев чуть уменьшился но не кардинально. Может быть нужно уменьшить до 3n3 на прямом диоде?
Аватара пользователя
sam_soft
Сообщения: 1523
Зарегистрирован: 30 окт 2009, 22:27

Re: Сварка AC-DC-TIG/MIG-MAG в среде защитных газов.

Сообщение sam_soft »

конечно уменьшай, на прямом два-три нана хватит, лишние емкости - это впустую гонять реактивы и греть резики, но на обратном менее 4.7 не стоит ставить. Про обратный в шапке было написано - контролировать тычки напруги на нем. если вылезут за 200 вольт то стоп машина, надо дополнительно разбираться в чем дело ибо на ТИГе переменке там сотка вольтов запросто может подкинутся .
I'll be back
bus12
Сообщения: 45
Зарегистрирован: 11 янв 2010, 13:48

Re: Сварка AC-DC-TIG/MIG-MAG в среде защитных газов.

Сообщение bus12 »

закончил часть сварника- полуавтомат, выкладываю фото. Случайно попалась в магазине протяжка на 24в за 2тр вместе с евроразъемом,по этому самодельничать не стал, купил. Электронная часть: ШИМ с трансформаторным БП (Komrad выкладывал в соседней ветке), жигулевский клапан. Делал сначала все в одном корпусе (в основном блоке что на фото на заднем плане)- отказался по причине веса, габаритов и горелку п/а сложно снимать когда она не нужна (проволоку нужно стравливать обратно на барабан). Варит на мой взгляд очень даже хорошо (хотя опыта сварки п/а не имею).
Вложения
IMG20120303_002.jpg
IMG20120303_001.jpg
Аватара пользователя
Komrad
Сообщения: 2713
Зарегистрирован: 27 авг 2011, 21:07

Re: Сварка AC-DC-TIG/MIG-MAG в среде защитных газов.

Сообщение Komrad »

sam_soft писал(а):конечно уменьшай, на прямом два-три нана хватит, лишние емкости - это впустую гонять реактивы и греть резики, но на обратном менее 4.7 не стоит ставить. Про обратный в шапке было написано - контролировать тычки напруги на нем. если вылезут за 200 вольт то стоп машина, надо дополнительно разбираться в чем дело ибо на ТИГе переменке там сотка вольтов запросто может подкинутся .
А для подстраховки вариант с варисторами приемлем?
Вложения
Фрагмент для примера
Фрагмент для примера
Аватара пользователя
sam_soft
Сообщения: 1523
Зарегистрирован: 30 окт 2009, 22:27

Re: Сварка AC-DC-TIG/MIG-MAG в среде защитных газов.

Сообщение sam_soft »

bus12 писал(а):попалась в магазине протяжка на 24в за 2тр вместе с евроразъемом,по этому самодельничать не стал, купил.
И правильно сделал, если есть возможность лучше подачи покупать. С самоделкой возьни на полгода и не факт что лучше сделаеш, а скорее всего хуже.
глюки на ТИГ победил или я тебя с кем перепутал ?
I'll be back
Аватара пользователя
sam_soft
Сообщения: 1523
Зарегистрирован: 30 окт 2009, 22:27

Re: Сварка AC-DC-TIG/MIG-MAG в среде защитных газов.

Сообщение sam_soft »

Komrad писал(а): А для подстраховки вариант с варисторами приемлем?
Ну поистине неистребима вера народа в волшебное свойство зелёнки. На энергетику прежде всго смотреть нада. А то может статься так, что пукнет варистор на первой минуте сварки.
Помнится как то Мультик уже говорил про такое, когда к нему вполне продвинутые товарисчи с зеленкой приставали.
I'll be back
Ответить