Апгрэд Блока управления универсального сварочника ( AT90PWM3B)

Аватара пользователя
Komrad
Сообщения: 2713
Зарегистрирован: 27 авг 2011, 21:07

Re: апгрэд БУ

Сообщение Komrad »

Vanchoper писал(а):Конечно интересно! А можно печатку, а то на Вашу глянул, самому разводить сразу расхотелось :D Дроссель осциллятора уже готов?
Печатка не профи, для себя любимого. Так что без критики. :)
Ну и трансик осциллятора.
Вложения
IMG_2771.JPG
Osc.lay
(15.13 КБ) 564 скачивания
шумный
Сообщения: 82
Зарегистрирован: 11 окт 2012, 10:19

Re: апгрэд БУ

Сообщение шумный »

Komrad !
Спасибо за ответ, про еер понятно. Я для питания драйверов не использую основной блок питания, ставлю доп. преобразователь и оптику на одну платку. Преобразователь питается от 12В, выдает два двуполярных(+15-5) гальванически развязанных напряжения для управления двумя IGBT.
Аватара пользователя
Komrad
Сообщения: 2713
Зарегистрирован: 27 авг 2011, 21:07

Re: апгрэд БУ

Сообщение Komrad »

шумный писал(а): Преобразователь питается от 12В, выдает два двуполярных(+15-5) гальванически развязанных напряжения для управления двумя IGBT.
На схеме ДС-АС питание верхних по схеме драйверов +18 раздельное, питание нижних по схеме драйверов общее . Получается ТРИ отдельных (гальванически развязанных) канала питания.
Аватара пользователя
Petrovich
Сообщения: 2021
Зарегистрирован: 25 авг 2008, 23:19

Re: апгрэд БУ

Сообщение Petrovich »

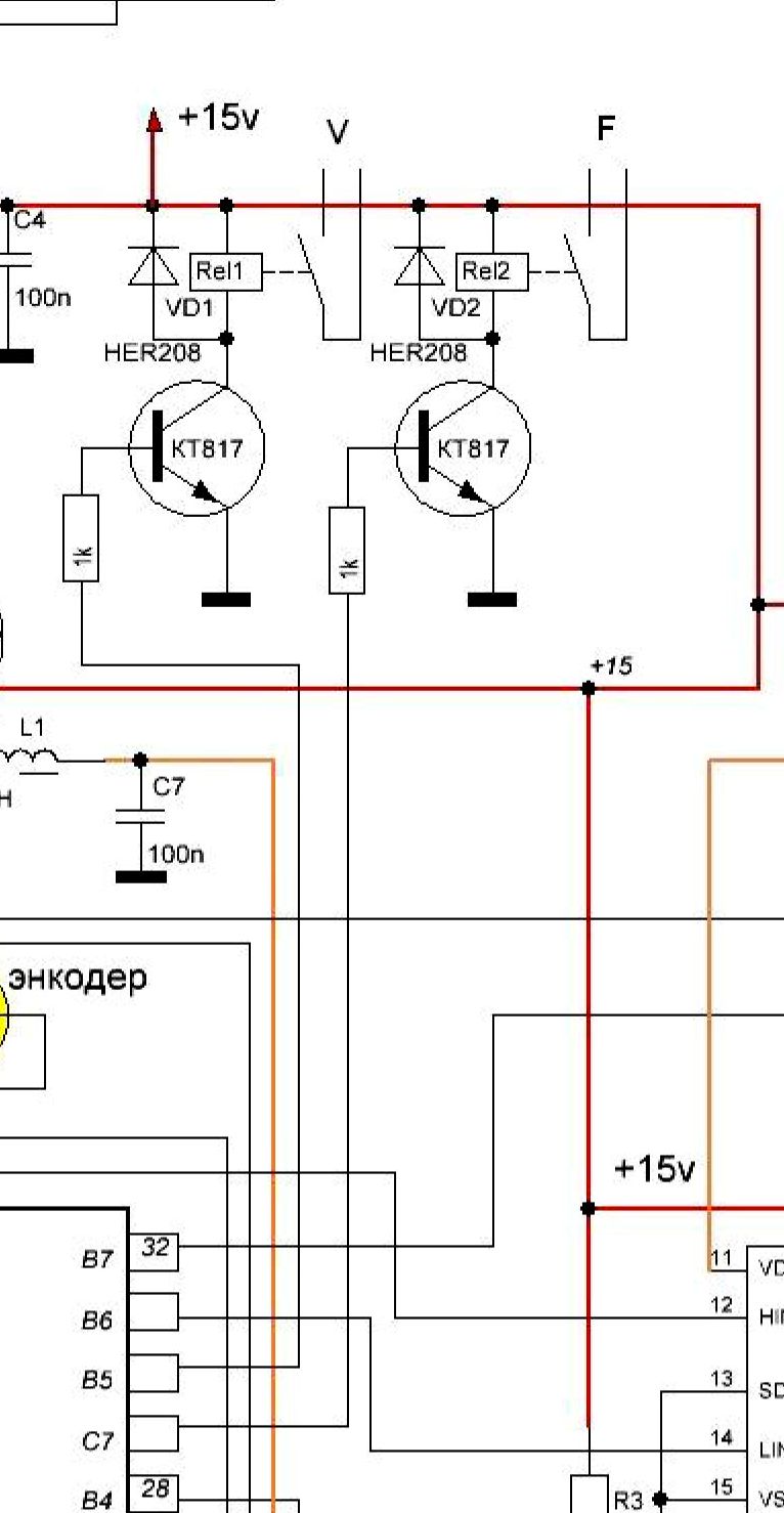
Вот навернул схемы согласно последним пожеланиям трудящихся. Прошу проверить.
Аватара пользователя
kava
Сообщения: 313
Зарегистрирован: 13 фев 2010, 22:58
Откуда: Харьков

Re: апгрэд БУ

Сообщение kava »

Petrovich писал(а):Вот навернул схемы согласно последним пожеланиям трудящихся. Прошу проверить.
Петрович верни все взад и только поменяй буковки. F - ключ вентиляторов, V - ключ газового клапана.
Вложения
Bag_.jpg
... нельзя впихнуть невпихуемое, связать несвязуемое ...
ajsn
Сообщения: 203
Зарегистрирован: 14 сен 2011, 06:49
Откуда: Москва

Re: апгрэд БУ

Сообщение ajsn »

Petrovich писал(а):Вот навернул схемы согласно последним пожеланиям трудящихся. Прошу проверить.
какая то техн ошибка наверно - когда кликаешь на схему она остается мелкой, в общем плохо видно, поэтому про то что видно в мелком варианте
- какие то непонятные грибочки с землей снизу - откуда такая схемотехника ???
- откуда зачем и почему R11?
- пин PC7 это управление вентилятороами а не газовым клапаном
- PB5 это как раз газовый клапан
- PB6 (LIN) не используется, нет смысла тянуть на драйвер
- где обозначения выводов энкодера?
- что за офигительная схема развязки от помех от кнопки держака на 2х трансформаторах и своим стабилизатором
- перед дроссельком в параллель с С6 еще кондерчик на 1-2 мкФ
- С7 не на общей земле, а на AGND, и емкостью 220-330 нф
Аватара пользователя
Petrovich
Сообщения: 2021
Зарегистрирован: 25 авг 2008, 23:19

Re: апгрэд БУ

Сообщение Petrovich »

kava писал(а): F - ключ вентиляторов, ....
Ага, теперь это уже ключ вентиляторов, прикольно. А был никому не нужный ключ подогрева редуктора... :cry:
ajsn писал(а):...какая-то техн ошибка наверно - когда кликаешь на схему она остается мелкой, в общем плохо видно,....
Сейчас посмотрю
ajsn писал(а):..- какие то непонятные грибочки с землей снизу - откуда такая схемотехника ???....
Вы наверно имеете ввиду аналоговую и цифровую земли? Это нормально.
ajsn писал(а):..- откуда зачем и почему R11?....
это чтобы не мешало программатору. Работе оно не помешает, т.к. входное сопротивление АТМЕЛов 20 мОм.
ajsn писал(а):..- пин PC7 это управление вентилятороами а не газовым клапаном....
Сделано
ajsn писал(а):...- PB5 это как раз газовый клапан...
Сделано
ajsn писал(а):..- PB6 (LIN) не используется, нет смысла тянуть на драйвер...
Убрал.
ajsn писал(а):- что за офигительная схема развязки от помех от кнопки держака на 2х трансформаторах и свои стабилизатором
Такую от СЭМа откопали, не помню кто. См.пару листов назад.
ajsn
Сообщения: 203
Зарегистрирован: 14 сен 2011, 06:49
Откуда: Москва

Re: апгрэд БУ

Сообщение ajsn »

Petrovich писал(а):Вы наверно имеете ввиду аналоговую и цифровую земли?
НЕТ я это не имел в виду, это скорее всего 7805, но откуда такие обзначения? не принято так рисовать ИМХО
Petrovich писал(а):Такую от СЭМа откопали
сэм_софт рисовал осциллятор для плазмы а не кнопку держака
Аватара пользователя
Petrovich
Сообщения: 2021
Зарегистрирован: 25 авг 2008, 23:19

Re: апгрэд БУ

Сообщение Petrovich »

ajsn писал(а):... это скорее всего 7805, но откуда такие обзначения? не принято так рисовать ...
Ещё как принято. Так удобнее для разводки и монтажа. А Вам больше военные квадратики нравятся? Мне нет.
Более того, хорощая схема-половина разводки.
Аватара пользователя
Petrovich
Сообщения: 2021
Зарегистрирован: 25 авг 2008, 23:19

Re: апгрэд БУ

Сообщение Petrovich »

ajsn писал(а):...сэм_софт рисовал осциллятор для плазмы а не кнопку держака
По любому схема правильная, и лишней здесь не будет. И TVS вставлен грамотно и стабилизация не повредит. Провода к главной кнопке это большая проблемма. Предполагаю, что эта борода будет висеть прямо на разьёме к держаку.
Ответить