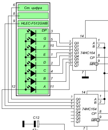
На, в формате EAGLE 5.10.0ajsn писал(а):исходное подключение индикатора серез регистры
Re: Сварка AC-DC-TIG/MIG-MAG в среде защитных газов (AtMega 8)
Re: Сварка AC-DC-TIG/MIG-MAG в среде защитных газов.
- Вложения
- 
			
		
		
				- Ind.rar
- (26.79 КБ) 643 скачивания
 
Re: Сварка AC-DC-TIG/MIG-MAG в среде защитных газов.
Ну вроде ж я всё исправил на главной, все пока довольны. У Вас не правильно. Проверить не могу, нет индикатора. Последний индикатор на термометр извёл.ajsn писал(а):...Посмотрите плизз мой вариант или киньте принципиальную правильную схему подключения...
Про резисторы не в курсе, но вроде был спич, что они там не нужны?ajsn писал(а):....восстановить исходное подключение индикатора серез регистры.
Re: Сварка AC-DC-TIG/MIG-MAG в среде защитных газов.
Да, на главной все правильно, тоже перепроверял.Petrovich писал(а):Ну вроде ж я всё исправил на главной
Re: Сварка AC-DC-TIG/MIG-MAG в среде защитных газов.
Собственно смущает в схеме только одна штучка - надпись "Ст.цифра"Petrovich писал(а):вроде ж я всё исправил на главной, все пока довольны. У Вас не правильно.
В индикаторе 6ой вывод - самая правая цифра - МЛАДШАЯ.
Выход Q0 c нижней 74HC164 - это тоже младшая цифра должна быть (если в хексе прописано стандартное использование 74HC164).
сдвиговые регистры! не резисторыPetrovich писал(а):Про резисторы не в курсе, но вроде был спич, что они там не нужны?
Re: Сварка AC-DC-TIG/MIG-MAG в среде защитных газов.
Старшая - самая правая.
			
			
									
									
						Re: Сварка AC-DC-TIG/MIG-MAG в среде защитных газов.
Да ушшшшш.... за основу была взята проверенная разводка от Санька, по ней и сделана моя разводка. Сейчас надо бы вместо надписи "Ст. цифра" конечно же написать Мл. Cделал.Lukialex писал(а):Старшая - самая правая.
Re: Сварка AC-DC-TIG/MIG-MAG в среде защитных газов.
Ну уж извините.
С 1го класса старшинством учили считать разряды числа а не цифры ы числе. Слева старшие разряды, справа младшие.
А по какому принципу у Вас поименован самый правый разряд старшим?
Или я вообще чего-то глобального не догоняю?
			
			
									
									
						С 1го класса старшинством учили считать разряды числа а не цифры ы числе. Слева старшие разряды, справа младшие.
А по какому принципу у Вас поименован самый правый разряд старшим?
Или я вообще чего-то глобального не догоняю?
Re: Сварка AC-DC-TIG/MIG-MAG в среде защитных газов.
Ну исправил уже, и вообще там не слева и справа, а сверху вниз.ajsn писал(а):...Или я вообще чего-то глобального не догоняю?
Re: Сварка AC-DC-TIG/MIG-MAG в среде защитных газов.
Ну во мужыки гляньте че получилось,варит офигенно.
			
			
									
									
						Re: Сварка AC-DC-TIG/MIG-MAG в среде защитных газов.
ну ты змей, поздравляю.zmey71 писал(а):...,варит офигенно.
