Реанимация древних машин. На фанерке.
Re: Реанимация древних машин. На фанерке.
"разогнался" до 200 наносек по фронту по одному каналу (транзисторы GP50B60PD1):
1. Отказался от применения ТС4420- они не потянут скорость такую
2. транс R25x14.8x10 Epcos.
8 витков компового провода. 6 жил. вторичка-первичка-втор.-втор.-перв.-вторичка. в один слой
инд. 152мкгн, рассеивания (замкнута одна вторичка) 0,43 мкгн
питал пока от 12в (индук.расч. 0,075Т)
надо будет поднимать до 17-18в (индук.расч.0,112Т). в стоках предусмотрю резисторы 0,2-0,5 ома (без них в модели сквозняки до 55а?)
1. Отказался от применения ТС4420- они не потянут скорость такую
2. транс R25x14.8x10 Epcos.
8 витков компового провода. 6 жил. вторичка-первичка-втор.-втор.-перв.-вторичка. в один слой
инд. 152мкгн, рассеивания (замкнута одна вторичка) 0,43 мкгн
питал пока от 12в (индук.расч. 0,075Т)
надо будет поднимать до 17-18в (индук.расч.0,112Т). в стоках предусмотрю резисторы 0,2-0,5 ома (без них в модели сквозняки до 55а?)
Re: Реанимация древних машин. На фанерке.
все обмотки замкнуты L рассеивания 0,2мкгнegor писал(а): инд. 152мкгн, рассеивания (замкнута одна вторичка) 0,43 мкгн
Re: Реанимация древних машин. На фанерке.
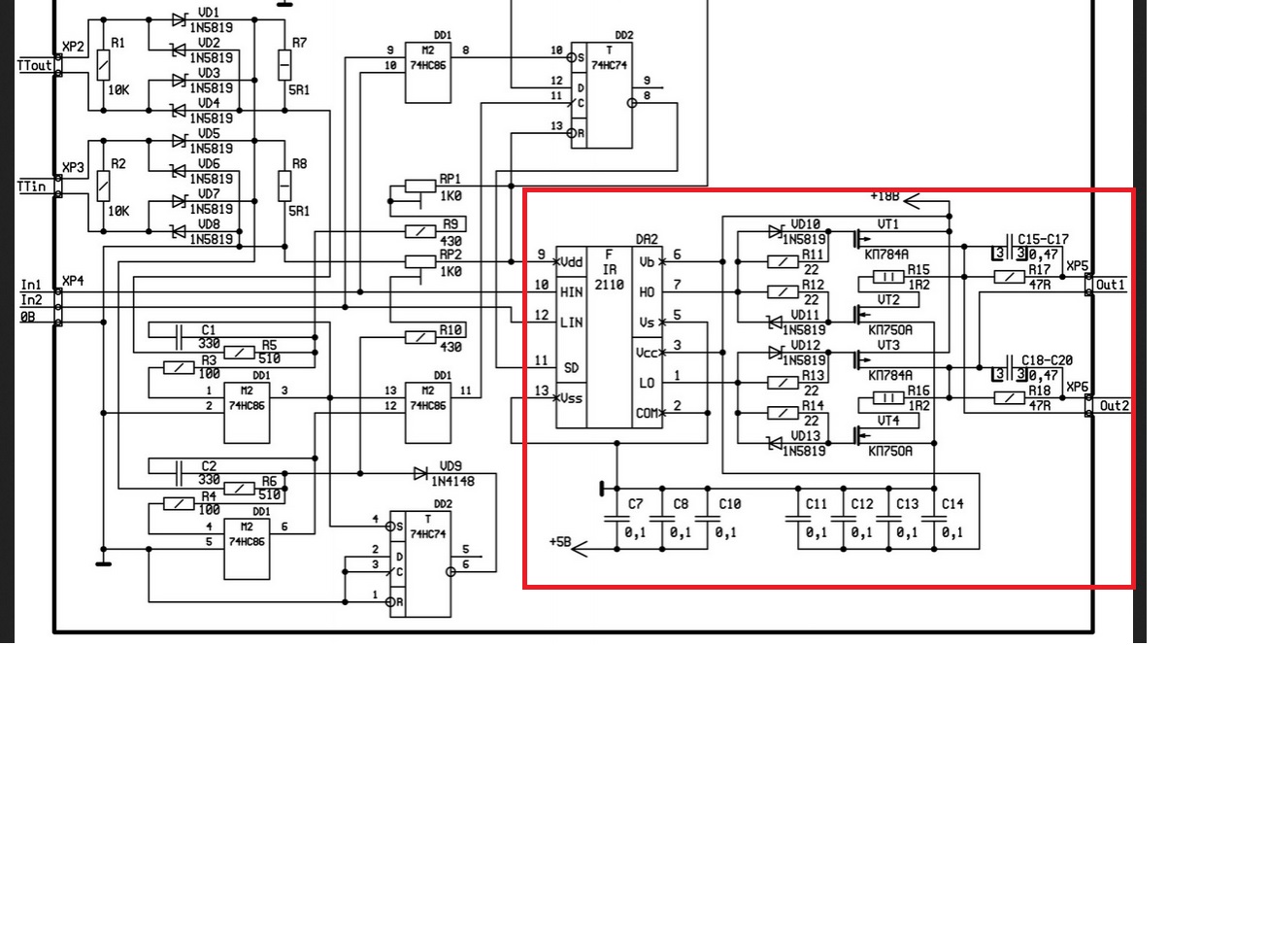
Да нинада ничо фантазировать. Все уже давно придумано. Я ж говорил , береш готовое решение, паяеш и оно работает , если сам ненакосячил. Все что нужно - это от Мультика, в красном квадрате, но не в чорном, как на известной пикче Малевича. У меня акурат как в красном квадрате. Тильки емкостин стока не буянил по питалову и половики ИР, а не самотужные, как на пикче. Шутдаун абземлю. Он нам не нужен. Дриверсы отуда же. Есчо раз, кому Коран, Будда или Библия не позволяет делать трансформаторные, берите Силабы или Ирки, но с раздельным питанием.
I'll be back
Re: Реанимация древних машин. На фанерке.
Выбрался наконец поварить этой машиной , более менее по нормальному. Кароче с тем дросселем что на картинке , не сварка, а почти полный Ацтой. Прилепил послед есчо 18 мкг. Небо и земля. Почти Нирвана. Попалил все лектроды 3мм что были . Я ММА мало варю дык и запасов нету.
Остались тильки 2мм и 4мм УВОНИ. Попробовал УОНИ, неплохо зажигаются и горят, хотя для полного щасця макс току в 180 ампер както маловато. Кста, посмотрел на мабиле логи реального тока сварки , увы недобирает варила 180 ампер, макс был примерно 172 - 174 ампера. Холл мерит довольно точно, +-1 ну хайсе +-2 ампера, от силы. Так шта на показометре нарисовать можна Член, а на самом деле Задница. Сеть у меня харошая. Вобщем суръезныя канторки типа Фроника или Миллера правильно делают что не рисуют более 160 ампер на однофазниках.
Остались тильки 2мм и 4мм УВОНИ. Попробовал УОНИ, неплохо зажигаются и горят, хотя для полного щасця макс току в 180 ампер както маловато. Кста, посмотрел на мабиле логи реального тока сварки , увы недобирает варила 180 ампер, макс был примерно 172 - 174 ампера. Холл мерит довольно точно, +-1 ну хайсе +-2 ампера, от силы. Так шта на показометре нарисовать можна Член, а на самом деле Задница. Сеть у меня харошая. Вобщем суръезныя канторки типа Фроника или Миллера правильно делают что не рисуют более 160 ампер на однофазниках.
I'll be back
Re: Реанимация древних машин. На фанерке.
Паршива трохе рихтовалася в процессе. Версион нумар цвай в прицепе.
Куда и как засунуть апликуху для мабилы нокия, пока не придумал. Хотя мот и рановато. Там пока ММА только рулится. Но мне нравицаа, чес пианерскае, прикольно с мабилы сваркой рулить
Нада будет знакомым показать и парнухи поснимать трохе.
Куда и как засунуть апликуху для мабилы нокия, пока не придумал. Хотя мот и рановато. Там пока ММА только рулится. Но мне нравицаа, чес пианерскае, прикольно с мабилы сваркой рулить
- Вложения
-
- v1002.rar
- (3.65 КБ) 511 скачиваний
I'll be back
Re: Реанимация древних машин. На фанерке.
а сколько всего получилось мкг?sam_soft писал(а):Прилепил послед есчо 18 мкг. Небо и земля.
и раз ты проявился- как этого "бармалея" калибровать?
Re: Реанимация древних машин. На фанерке.
Сэм не проявляется, а появляется. Проявляется Егор, плёнка в фотиках , или есчо чтота.
Херня например может проявиться, если накосячить с силовым трансформатором. Будьте бздительны с фазировкой обмоток.
18 +9 = 27. То биш тому колечку , что на фотках нужно 14 - 15 витков.
Калибровка бармалейника - к Бармалею.
Для фанерки калибровка проще простого, все в протоколе. Нужно всего то выставить zero point. Остальное Хол делает сам. Напруги пока не доделал и вход пока как дигитал работает, но работает. Если варить , это видно по логу.
Херня например может проявиться, если накосячить с силовым трансформатором. Будьте бздительны с фазировкой обмоток.
18 +9 = 27. То биш тому колечку , что на фотках нужно 14 - 15 витков.
Калибровка бармалейника - к Бармалею.
Для фанерки калибровка проще простого, все в протоколе. Нужно всего то выставить zero point. Остальное Хол делает сам. Напруги пока не доделал и вход пока как дигитал работает, но работает. Если варить , это видно по логу.
I'll be back
Re: Реанимация древних машин. На фанерке.
про фотики я знаю..даж слайды делал в молодости..ох еще тот гимор. не подумал, что тебя так заденет.sam_soft писал(а):Сэм не проявляется, а появляется. Проявляется Егор, плёнка в фотиках , или есчо чтота.
Калибровка бармалейника - к Бармалею.
Нужно всего то выставить zero point. Остальное Хол делает сам.
"бармалейник" написал в кавычках, перефразирую вопрос:
как выставить zero point
Re: Реанимация древних машин. На фанерке.
Егор, в протоколе есть мод "с". там все написано , но наверна все непрозрачна для народа.
Фанерка на ХХ. заходиш в "с" с терминала и выполняеш команду "z" - она возвращает текущее значение ADC. Поскольку ХХ , то должно быть 511 -512. то биш половина размаха ADC . Почитай детально про датчик, будет понятнее. Но реально 512 не будет, поскольку питалово Хола наверняка не точно 5 вольт, а например 4.95. или 5.01. У Хола 10 мв\ ампер. Тебе нужно командой "Z" передать новое значение нуля. Оно сохраняется и тут же пишется в ипром , всегда зачитывается на старте и участвует во всех вычислениях. Хол достаточно точно держит свои 10мв на ампер. Потом увидиш как оно работает, нагружая на баласт. Я проверял от 5 до 160 ампер, все почти тутя в тютю. расхождение ну пару ампер, не более, по всему диапазону.
Ферштейн ?
Фанерка на ХХ. заходиш в "с" с терминала и выполняеш команду "z" - она возвращает текущее значение ADC. Поскольку ХХ , то должно быть 511 -512. то биш половина размаха ADC . Почитай детально про датчик, будет понятнее. Но реально 512 не будет, поскольку питалово Хола наверняка не точно 5 вольт, а например 4.95. или 5.01. У Хола 10 мв\ ампер. Тебе нужно командой "Z" передать новое значение нуля. Оно сохраняется и тут же пишется в ипром , всегда зачитывается на старте и участвует во всех вычислениях. Хол достаточно точно держит свои 10мв на ампер. Потом увидиш как оно работает, нагружая на баласт. Я проверял от 5 до 160 ампер, все почти тутя в тютю. расхождение ну пару ампер, не более, по всему диапазону.
Ферштейн ?
I'll be back
Re: Реанимация древних машин. На фанерке.
Учти , "с" - сразу врубает ШИМ. Без этого никак. ADC синхронизирован с ШИМ и без него НЕ работает.
Потому вначале проверь все на косяки.
Потому вначале проверь все на косяки.
I'll be back