Варианты питания оптодрайверов

petr0757
Сообщения: 9
Зарегистрирован: 31 авг 2008, 06:34

Варианты питания оптодрайверов

Сообщение petr0757 »

Хотел положить файл сдесь, не получилось, положил сюда
http://flyfolder.ru/7935282
С уважением.
Вложения
_оптодрайверов_типа_HCPL3120_упрощает_и_улучает__источник_сварочного_тока_любой_топологии.zip
Питание HCPL 3120
(163.4 КБ) 4539 скачиваний
Аватара пользователя
Petrovich
Сообщения: 2021
Зарегистрирован: 25 авг 2008, 23:19

Re: Варианты питания оптодрайверов

Сообщение Petrovich »

Очень интересный и миниатюрный вариант питания. А откуда эти трансформаторы? Вроде я их где-то видел, а может и на МБ. Для добавления вложения смотрите закладку внизу. Вроде без проблем.
petr0757
Сообщения: 9
Зарегистрирован: 31 авг 2008, 06:34

Re: Варианты питания оптодрайверов

Сообщение petr0757 »

Трансформаторы от импортного лома, модемы, ТЛФ блоки. Тип RM.
Оновная идея не в миниатюрности, а поставить драйвер с БП непосредствено на ключ.
С уважением.
Progresssor
Сообщения: 2
Зарегистрирован: 08 июл 2009, 20:55

Re: Сколько потребляет оптодрайвер с транзистором

Сообщение Progresssor »

Уважаемый Петрович, подскажите какие токи потребляет оптодрайвер HCPL-3120 в вашей схеме от обоих источников питания и как ток зависти от скважности, частоты, номинала согласуещего резистора. Два транзистора потянет?
Аватара пользователя
Petrovich
Сообщения: 2021
Зарегистрирован: 25 авг 2008, 23:19

Re: Сколько потребляет оптодрайвер с транзистором

Сообщение Petrovich »

Progresssor писал(а):Уважаемый Петрович, подскажите какие токи потребляет оптодрайвер HCPL-3120 ...?
Ток втекающий и вытекающий у полевых и IGBT транзисторов -равен произведению заряда затвора на частоту переключения. Смотрим даташит Total Gate Charge для IRG4PC50w = 270 наноКулонов. Умножаем на 40 кГц и получаем 10,8 миллиАмпера. То есть ни сколько. Обычно эту цифру принимают 100 мА, а чтоб хватило. Так что спокойненько ставьте по два, но каждый затвор подключайте через свой резистор. Сам драйвер потребляет только то, что тратится на переключение, т.е. на "перезаряд затвора". Затвор-это большая ёмкость, её надо перезаряжать, а что бы не "порвать" эту ёмкость, вот для этого и резистор.
Progresssor
Сообщения: 2
Зарегистрирован: 08 июл 2009, 20:55

Вариант питания оптодрайверов

Сообщение Progresssor »

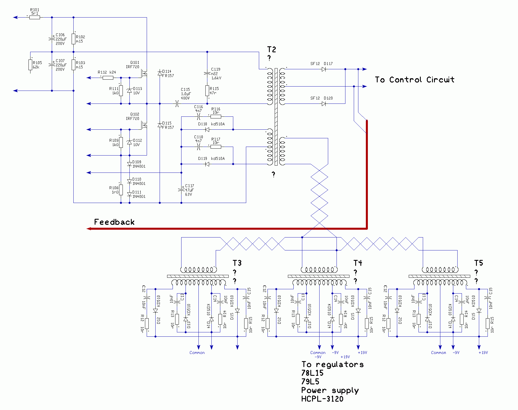
Спасибо, Петрович. Я так и предпологал что ток не большой, но знаю что расчётные данные часто не совпадают с реалиями, думал может вы измеряли для интересу. Ладно. заложу во втричный источник милиампер не менее 100. Не хочется переделывать потом. Собираюсь в качестве первичного БП использовать полумостовую схему, а с выхода трансформатора питать ещё три маленьких трансика для питания оптодрайверов. Наматаю трансики, погляжу как стабильность схемы, да может ещё и ЕН_ки не понадобятся. Вот такие у меня задумки. Что скажите?
Вариант питания драйверов
Вариант питания драйверов
Аватара пользователя
Petrovich
Сообщения: 2021
Зарегистрирован: 25 авг 2008, 23:19

Re: Вариант питания оптодрайверов

Сообщение Petrovich »

Progresssor писал(а): Что скажите?[/attachment]
Скажу. Надо бы как-то обойтись без этих 78L... я обошёлся в последующих версиях. Ток стабильный, не меняется, так зачем эти примочки? Посмотрите, я просто поставил параллельно резисторы. Ну и пусть оно чуть пляшет. Отрицательное от 3 до 6, а положительное от 12 до 18 вольт. И выпрямлять можно одно-полу-периодно. Плюсик туда, а минус -сюда... Кондёры надо покупать хорошие, "быстрые", тогда можно и 10 ом повыкидывать. Хорошо подходят от комповых БП.
SONIIR
Сообщения: 2
Зарегистрирован: 29 ноя 2010, 11:21

Re: Варианты питания оптодрайверов

Сообщение SONIIR »

Подскажите по схеме petr0757
Ссердечник RM6 или RM8?
Есть в наличии RM8 и питание 12 и 20 В данные транса оставить как на схеме?
Зазор в сердечнике нужен?
petr0757
Сообщения: 9
Зарегистрирован: 31 авг 2008, 06:34

Re: Варианты питания оптодрайверов

Сообщение petr0757 »

У меня RM6, первичка 1 спой ПЭЛ-031, вторичка, почти 2 слоя. витки не считал. Можно и RM8, но будет до смешного мало витков. Если халява, почему бы не поставить. Вначале ничего не ложил, а потом под центральный керн офисную бумагу.
Ответить