Апгрэд Блока управления универсального сварочника ( AT90PWM3B)

Аватара пользователя
kava
Сообщения: 313
Зарегистрирован: 13 фев 2010, 22:58
Откуда: Харьков

Re: апгрэд БУ

Сообщение kava »

Петрович. На главной переключалка режимов, MIG/MAG это один режим - полуавтомат, а вот режима TIG AC нету. Как я понимаю tig это TIG DC.
... нельзя впихнуть невпихуемое, связать несвязуемое ...
Аватара пользователя
Petrovich
Сообщения: 2021
Зарегистрирован: 25 авг 2008, 23:19

Re: апгрэд БУ

Сообщение Petrovich »

kava писал(а):Петрович. На главной переключалка режимов, MIG/MAG это один режим - полуавтомат, а вот режима TIG AC нету. Как я понимаю tig это TIG DC.
Да, TIG режимов два. TIG_DC и TIG_AC. TIG_AC я просто назвал AC. Может надо как-то по другому? так предлагайте, я не против. Помнится был у меня в хозяйстве LINCOLN TIG. Там просто стоял переключатель AC/DC.
Аватара пользователя
kava
Сообщения: 313
Зарегистрирован: 13 фев 2010, 22:58
Откуда: Харьков

Re: апгрэд БУ

Сообщение kava »

Petrovich писал(а):Да, TIG режимов два. TIG_DC и TIG_AC. TIG_AC я просто назвал AC. Может надо как-то по другому? так предлагайте, я не против. Помнится был у меня в хозяйстве LINCOLN TIG. Там просто стоял переключатель AC/DC.
Да не, нет там АС, там есть mma, tig, mag и mig скорее просто опечатка.
... нельзя впихнуть невпихуемое, связать несвязуемое ...
CeRgEj
Сообщения: 223
Зарегистрирован: 23 май 2010, 21:21
Откуда: г. Донецк

Re: апгрэд БУ

Сообщение CeRgEj »

Надо писать TIG_DC и TIG_AC.
Аватара пользователя
kava
Сообщения: 313
Зарегистрирован: 13 фев 2010, 22:58
Откуда: Харьков

Re: апгрэд БУ

Сообщение kava »

Petrovich писал(а):Да, TIG режимов два. TIG_DC и TIG_AC. TIG_AC я просто назвал AC. Может надо как-то по другому? так предлагайте, я не против. Помнится был у меня в хозяйстве LINCOLN TIG. Там просто стоял переключатель AC/DC.
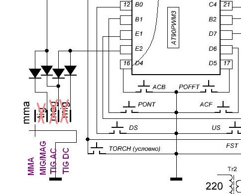
Пктрович! Подправить,говорил вот это:

#define MMA_MODE 0x0C//0x0C//00001100;
#define MIG_MODE 0x04//00000100
#define DC_MODE 0x08//00001000;
#define AC_MODE 0x00//0x00//00000000;

Дело в том, что режимов MIG и MAG у нас не существует. Теперь по порядку
MMA – ручная сварка плавящимся электродом в обмазке.
MIG/MAG – режим полуавтоматической сварки пример:
- MIG – полуавтоматическая сварка, подключаем баллон аргона, гелия запрвляем лямениевую проволочку, варим
- MAG – полуавтоматическая сварка, меняем баллон аргона на углекислоту, а проволоку на стальную и опять варим
- MIG-MAG меняем баллон на смесь газов (сварочная смесь на основе аргона, гелия с определенными добавками некоторых газовых компонентов – углекислоты, кислорода, водорода, гелия, азота и др) ставим бобину с нержавеющей проволокой и опять варим
Ну и TIG_DC и TIG_AC понятно сварка неплавящимся электродом на постоянке и переменке
К стати у Павла на схеме тоже.
Вложения
bag.jpg
... нельзя впихнуть невпихуемое, связать несвязуемое ...
Аватара пользователя
Petrovich
Сообщения: 2021
Зарегистрирован: 25 авг 2008, 23:19

Re: апгрэд БУ

Сообщение Petrovich »

kava писал(а):...Дело в том, что режимов MIG и MAG у нас не существует. ...
Спасибо, просвятил, это немного меняет дело. Днями поправлю, надо подумать, сейчас некогда.
Gonchiy
Сообщения: 22
Зарегистрирован: 15 май 2011, 13:07

Re: апгрэд БУ

Сообщение Gonchiy »

Добрый вечер. очень давно не было - дела. Эту ветку не дочитал до конца , поэтому извиняюсь заранее если возникал такой вопрос. Тут друг недавно разбирал китайца так там в силе стоит 3(три)транса - Первички последовательно, вторички паралельно. Так вот возник вопрос (в основном к вам СЭМ - я так понял вы дуже шарите во всяких расчётах) а возможен ли здесь такой вариант(с учётом меньшей стоимости и легчей доставаемости меньших сердечников к примеру ETD49,54 в свете многих сделать этот проэкт народным)???
Аватара пользователя
kava
Сообщения: 313
Зарегистрирован: 13 фев 2010, 22:58
Откуда: Харьков

Re: апгрэд БУ

Сообщение kava »

Gonchiy писал(а):китайца так там в силе стоит 3(три)транса ... а возможен ли здесь такой вариант(с учётом меньшей стоимости и легчей доставаемости меньших сердечников к примеру ETD49,54 в свете многих сделать этот проэкт народным)
SAM, будет не скоро но постараюсь прояснить.
1. СЭМ создал этот аппарат.
2. Возможно все, но это достаточно неприятно да и ни к чему, потому как...
3. ... фактически это 2 косых на одну нагрузку, даже 2шт. ETD54 стоят дороже одного Е70, меди тоже больше, дополнительные диоды, сложность монтажа, короче куча головняка, а простой косой щас только ленивый не сделает. Здесь основная стоимость в АС модуле, из сказанного выше...
4. ... предлогаемый вами варьянт в принципе не может стать народным.
P.S. Транс легко делается на рогах от ТВС, поиск в помощь.
... нельзя впихнуть невпихуемое, связать несвязуемое ...
Evgeniy-free
Сообщения: 392
Зарегистрирован: 02 дек 2012, 07:30
Откуда: Сибирь

Re: апгрэд БУ

Сообщение Evgeniy-free »

CIMG0438.jpg
Нашёл альсифер на радиорынке, который немного ржавый был просто сердечник ( 64х40,5х14,5мм ) , а который как новый (63,5х40х14мм) был намотан дроссель проводом 1,5мм от какой-то военной аппаратуры! Пойдёт такой, одного комплекта хватит???
Аватара пользователя
Petrovich
Сообщения: 2021
Зарегистрирован: 25 авг 2008, 23:19

Re: апгрэд БУ

Сообщение Petrovich »

kava писал(а):...Дело в том, что режимов MIG и MAG у нас не существует. Теперь по порядку....
Поправил, проверьте.
Ответить